Что-то не так?
Пожалуйста, отключите Adblock.
Портал QRZ.RU существует только за счет рекламы, поэтому мы были бы Вам благодарны если Вы внесете сайт в список исключений. Мы стараемся размещать только релевантную рекламу, которая будет интересна не только рекламодателям, но и нашим читателям. Отключив Adblock, вы поможете не только нам, но и себе. Спасибо.
Как добавить наш сайт в исключения AdBlockРеклама
К155ИМ2, КМ155ИМ2 - одноразрядный полный (двоичный) сумматор
| Навигатор: QRZ.RU > Радиолюбительская справочники > Справочник по отечественным микросхемам |
Корпус ИМС К155ИМ2
Корпус ИМС КМ155ИМ2
Условное графическое обозначение
Электрические параметры
Зарубежные аналоги
Литература
Микросхемы представляют собой одноразрядный (двоичный) полный сумматор. Содержат 91 интегральный элемент. Корпус К155ИМ2 типа 201.14-1, масса не более 1 г., КМ155ИМ2 типа 201.14-8, масса не более 2,2 г.
Корпус ИМС К155ИМ2
Корпус ИМС КМ155ИМ2
Условное графическое обозначение

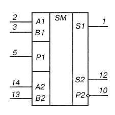
1 - выход суммы S1;
2 - вход слагаемого А1;
3 - вход слагаемого В1;
4 - напряжение питания;
5 - вход переноса P1;
6-9 - свободные;
10 - выход переноса P2;
11 - общий;
12 - выход суммы S2;
13 - вход слагаемого В2;
14 - вход слагаемого А2;
Электрические параметры
| 1 | Номинальное напряжение питания | 5 В
|
| 2 | Выходное напряжение низкого уровня | не более 0,4 В |
| 3 | Выходное напряжение высокого уровня | не менее 2,4 В |
| 4 | Помехоустойчивость | не менее 0,4 В |
| 5 | Напряжение на антизвонном диоде | не менее -1,5 В |
| 6 | Входной пробивной ток | не более 1 мА |
| 7 | Ток короткого замыкания | -18...-55 мА |
| 8 | Ток потребления | не более 58 мА |
| 9 | Потребляемая статическая мощность | не более 305 мВт |
| 10 | Время задержки распространения при включении от вывода 5 до 12 | не более 42 нс |
| 11 | Время задержки распространения при выключении от вывода 13 до 12 | не более 40 нс |
| 12 | Время задержки распространения по цепи суммы | не более 37,5 нс |
| 13 | Время задержки распространения по цепи переноса | не более 23 нс |
Зарубежные аналоги
SN7482N, SN7482J
Литература
Интегральные микросхемы и их зарубежные аналоги: Справочник. Том 2./А. В. Нефедов. - М.:ИП РадиоСофт, 1998г. - 640с.:ил.
Отечественные микросхемы и зарубежные аналоги Справочник. Перельман Б.Л.,Шевелев В.И. "НТЦ Микротех", 1998г.,376 с. - ISBN-5-85823-006-7
| Навигатор: QRZ.RU > Радиолюбительская справочники > Справочник по отечественным микросхемам |