Что-то не так?
Пожалуйста, отключите Adblock.
Портал QRZ.RU существует только за счет рекламы, поэтому мы были бы Вам благодарны если Вы внесете сайт в список исключений. Мы стараемся размещать только релевантную рекламу, которая будет интересна не только рекламодателям, но и нашим читателям. Отключив Adblock, вы поможете не только нам, но и себе. Спасибо.
Как добавить наш сайт в исключения AdBlockРеклама
К155ИП4, КМ155ИП4 - блок ускоренного переноса для АЛУ.
| Навигатор: QRZ.RU > Радиолюбительская справочники > Справочник по отечественным микросхемам |
Корпус ИМС К155ИП4
Корпус ИМС КМ155ИП4
Условное графическое обозначение
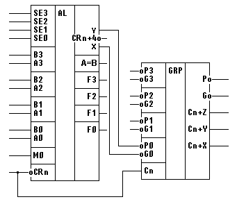
Подключение схемы к АЛУ
Электрические параметры
Зарубежные аналоги
Литература
Микросхема представляет собой блок ускоренного переноса для арифметико-логическое устройсво (АЛУ). Корпус К155ИП4 типа 238.16-1, масса не более 2 г, КМ155ИП4 типа 201.16-5, масса не более 2,5 г.
Корпус ИМС К155ИП4
Корпус ИМС КМ155ИП4
Условное графическое обозначение

1 - инверсный вход G1;
2 - инверсный вход P1;
3 - инверсный вход G0;
4 - инверсный вход P0;
5 - инверсный вход G3;
6 - инверсный вход P3;
7 - выход P; 8 - общий; 9 - выход Cn+z;
10 - инверсный выход G;
11 - инверсный выход Cn+y;
12 - инверсный выход Cn+x; 13 - вход Cn;
14 - инверсный вход G2; 15 - инверсный вход P2;
16 - напряжение питания;
Подключение схемы к АЛУ
Электрические параметры
| 1 | Номинальное напряжение питания | 5 В
|
| 2 | Выходное напряжение низкого уровня | не более 0,4 В |
| 3 | Выходное напряжение высокого уровня | не менее 2,4 В |
| 4 | Входной ток низкого уровня     по выводу 13     по выводам 2,4,5     по выводу 15     по выводу 6     по выводам 13,14     по выводу 1 |
  не более -3,2 мА не более -8 мА не более -6,4 мА не более -4,8 мА не более -14,4 мА не более -16 мА |
| 5 | Входной ток высокого уровня     по выводу 13     по выводам 2,4,5     по выводу 15     по выводу 6     по выводам 13,14     по выводу 1 |
  не более 0,08 мА не более 0,2 мА не более 0,16 мА не более 0,12 мА не более 0,36 мА не более 0,4 мА |
| 6 | Ток потребления     при низком уровне выходного напряжения     при высоком уровне выходного напряжения |
  не более 72 мА не более 40 мА |
| 7 | Потребляемая мощность | не более 294 мВт |
Зарубежные аналоги
SN74182N, SN74182J
Литература
Интегральные микросхемы и их зарубежные аналоги: Справочник. Том 2./А. В. Нефедов. - М.:ИП РадиоСофт, 1998г. - 640с.:ил.
Отечественные микросхемы и зарубежные аналоги Справочник. Перельман Б.Л.,Шевелев В.И. "НТЦ Микротех", 1998г.,376 с. - ISBN-5-85823-006-7
| Навигатор: QRZ.RU > Радиолюбительская справочники > Справочник по отечественным микросхемам |