Что-то не так?
Пожалуйста, отключите Adblock.
Портал QRZ.RU существует только за счет рекламы, поэтому мы были бы Вам благодарны если Вы внесете сайт в список исключений. Мы стараемся размещать только релевантную рекламу, которая будет интересна не только рекламодателям, но и нашим читателям. Отключив Adblock, вы поможете не только нам, но и себе. Спасибо.
Как добавить наш сайт в исключения AdBlockРеклама
К155ТМ5, КМ155ТМ5 - четыре D-триггера.
| Навигатор: QRZ.RU > Радиолюбительская справочники > Справочник по отечественным микросхемам |
Корпус ИМС К155ТМ5
Корпус ИМС КМ155ТМ5
Условное графическое обозначение
Электрические параметры
Зарубежные аналоги
Литература
Микросхема представляет собой четыре D-триггера. Корпус К155ТМ5 типа 201.14-2, масса не более 1 г и у КМ155ТМ5 типа 201.14-8, масса не более 2,2 г.
Корпус ИМС К155ТМ5
Корпус ИМС КМ155ТМ5
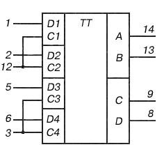
Условное графическое обозначение
1 - вход D1;2 - вход D2;
3 - вход синхронизации C3,C4;
4 - напряжение питания;
5 - вход D3;
6 - вход D4;
7,10 - свободные;
8 - выход D;
9 - выход C;
11 - общий;
12 - вход синхронизации C1,C2;
13 - выход B;
14 - выход A;
Электрические параметры
| 1 | Номинальное напряжение питания | 5 В
|
| 2 | Выходное напряжение низкого уровня | не более 0,4 В |
| 3 | Выходное напряжение высокого уровня | не менее 2,4 В |
| 4 | Напряжение на антизвонном диоде | не менее -1,5 В |
| 5 | Входной ток низкого уровня     по входам 1,2,5,6     по входам 3,12 |
  не более -3,2 мА не более -6,4 мА |
| 6 | Входной ток высокого уровня     по входам 1,2,5,6     по входам 3,12 |
  не более 0,08 мА не более 0,16 мА |
| 7 | Входной пробивной ток | не более 1 мА |
| 8 | Ток короткого замыкания | -18...-57 мА |
| 9 | Ток потребления | не более 53 мА |
Зарубежные аналоги
SN7477N, SN7477J
Литература
Интегральные микросхемы и их зарубежные аналоги: Справочник. Том 2./А. В. Нефедов. - М.:ИП РадиоСофт, 1998г. - 640с.:ил.
Отечественные микросхемы и зарубежные аналоги Справочник. Перельман Б.Л.,Шевелев В.И. "НТЦ Микротех", 1998г.,376 с. - ISBN-5-85823-006-7
| Навигатор: QRZ.RU > Радиолюбительская справочники > Справочник по отечественным микросхемам |