Что-то не так?
Пожалуйста, отключите Adblock.
Портал QRZ.RU существует только за счет рекламы, поэтому мы были бы Вам благодарны если Вы внесете сайт в список исключений. Мы стараемся размещать только релевантную рекламу, которая будет интересна не только рекламодателям, но и нашим читателям. Отключив Adblock, вы поможете не только нам, но и себе. Спасибо.
Как добавить наш сайт в исключения AdBlockРеклама
Параметры интегральной микросхемы К174УН11
| Навигатор: QRZ.RU > Радиолюбительская справочники > Справочник по отечественным микросхемам |
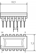
Корпус ИМС К174УН11
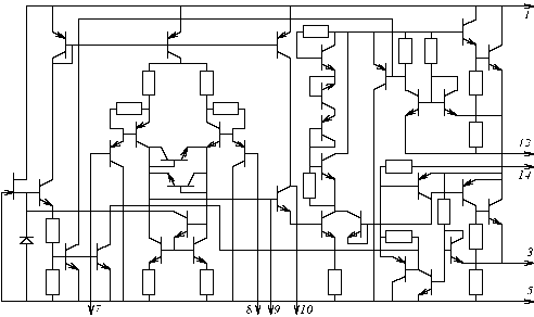
Принципиальная схема ИМС К174УН11
Типовая схема включения ИМС К174УН11
Электрические параметры
Предельно допустимые режимы эксплуатации
Общие рекомендации по применению
Литература
Микросхема представляет собой усилитель мощности звуковой частоты с номинальной выходной мощность 15 Вт на нагрузку 4 Ома. Имеет защиту выходного каскада от короткого замыкания и перегрузок. Аналог микросхемы TDA2020. Содержит 150 интегральный элемента. Конструктивно оформлена в корпусе типа 201.14.-12. Масса не более 1,5 гр.
Корпус ИМС К174УН11
1 - питание +Uи.п.;3,12 - вывод задания режима; 5 - питание -Uи.п.; 7 - вход; 8 - обратная связь; 9,10 - коррекция; 14 - выход; |
Принципиальная схема ИМС К174УН11

Типовая схема включения ИМС К174УН11

Электрические параметры
| 1 | Номинальное напряжение питания (двухполярное) | ± 17В ± 10% |
| 2 | Ток потребления при Uп = ± 17 В, Uвх = 0 В не более | 100 мА |
| 3 | Выходная мощность при Uп = ± 17 В, Rн = 4 Ома, Кг = 1% | 15 Вт |
| 4 |
Коэффициент гармоник при Uп = ± 17 В, Rн = 4 Ома, Рвых = 0,15…15 Вт |
1 % |
| 5 |
Максимальное входное напряжение при Uп = ± 17 В, Рвых = 10 Вт не более |
250 мВ |
| 6 | Напряжение шумов на выходе при Uп = ± 17 В, Rн = 4 Ома | 1,0 мВ |
| 7 | Коэффициент подавления пульсаций частотой 100 Гц | 45 Дб |
| 8 | Входное сопротивление при Uп = ± 17 В, fвх = 1 кГц | 100 кОм |
Предельно допустимые режимы эксплуатации
| 1 | Напряжение питания | ± 5 … ± 18 В |
| 2 | Максимальный ток нагрузки при Uп = ± 17 В, Rн = 0,1 Ома | 2,4 А |
| 3 | Максимальное входное напряжение | 10 В |
| 4 |
Тепловое сопротивление: кристалл-среда |
70°С/Вт |
| 5 | Температура окружающей среды | - 10 …+ 55°С |
| 6 | Температура кристалла | + 150 °С |
Общие рекомендации по применению
При проведении монтажных операций допускается не более трех перепаек выводов микросхемы. Температура пайки 235 ± 5°С, расстояние от корпуса до места пайки на более 1,5 мм, продолжительность пайки не более 6 с.
Рекомендуется использовать микросхему только в типовой схеме включения. Не допускается эксплуатация микросхемы без дополнительного теплоотвода.
При эксплуатации микросхемы необходимо предусмотреть ее защиту от случайного увеличения напряжения питания. Допустимое значение статического потенциала 200 В.
Литература
Микросхемы для бытовой радиоаппаратуры: Справочник /И. В. Новачек, В. М. Петухов, И. П. Блудов, А. В. Юровский. - Москва: КУБК-а, 1995г. - 384с.:ил.
Интегральные микросхемы и их зарубежные аналоги: Справочник. Том 2./А. В. Нефедов. - М.:КУБК-а, 1996г. - 640с.:ил.
Аналоговые интегральные микросхемы: Справочник /А .Л. Булычев, В. И. Галкин, В. А. Прохоренко. - 2-е издание, переработанное и дополненное - Минск: Беларусь, 1993г. - 382с.
| Навигатор: QRZ.RU > Радиолюбительская справочники > Справочник по отечественным микросхемам |
1 - питание +Uи.п.;