Что-то не так?
Пожалуйста, отключите Adblock.
Портал QRZ.RU существует только за счет рекламы, поэтому мы были бы Вам благодарны если Вы внесете сайт в список исключений. Мы стараемся размещать только релевантную рекламу, которая будет интересна не только рекламодателям, но и нашим читателям. Отключив Adblock, вы поможете не только нам, но и себе. Спасибо.
Как добавить наш сайт в исключения AdBlockРеклама
Параметры интегральных микросхем К174УН4
| Навигатор: QRZ.RU > Радиолюбительская справочники > Справочник по отечественным микросхемам |
Корпус ИМС К174УН4
Принципиальная схема ИМС К174УН4
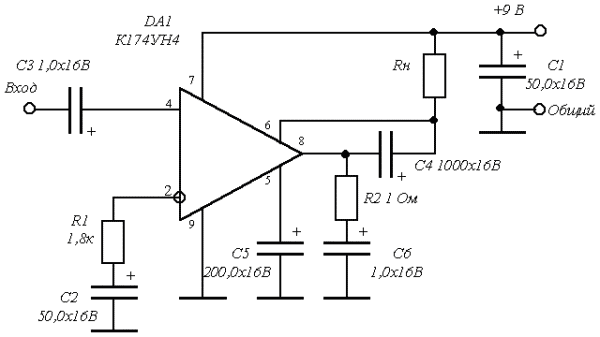
Типовая схема включения ИМС К174УН4
Электрические параметры
Предельно допустимые режимы эксплуатации
Общие рекомендации по применению
Литература
Микросхемы служат в качестве усилителя мощности низкой частоты с выходной мощность до 1 Вт на нагрузку 4 Ом. Предназначена для применения в переносных телевизорах и радиоприемниках. Аналог микросхемы TAA300 (функциональный аналог). Содержат 32 интегральных элемента. Конструктивно оформлены в корпусе типа 201.9-1. Масса не более 1,5 гр.
Корпус ИМС К174УН4
1 - коррекция Icc выходных транзисторов2 - обратная связь
3 - теплоотвод
4 - вход
5 - фильтр
6 - вольтодобавка
7 - питание +Uи.п.
8 - выход
9 - общий - Uи.п.
Принципиальная схема ИМС К174УН4

Типовая схема включения ИМС К174УН4
Электрические параметры
| 1 | Номинальное напряжение питания | 9 В ± 10% | |
| 2 | Ток потребления при Uп = 9 В, Uвх = 0 В | 10 мА | |
| 3 | Коэффициент усиления при Uп = 9 В, fвх = 1 кГц, Uвх = 0,1 В | 4...40 | |
| 4 |
Нестабильность коэффициента усиления напряжения при Uп = 9 В, fвх = 1 кГц, Т=+25...+55°С |
20 % | |
| 5 |
Коэффициент гармоник при Uп = 9 В,
fвх = 1 кГц: К174УН4А при Рвых = 1,0 Вт, Uвых = 2,0 В К174УН4Б при Рвых = 0,7 Вт, Uвых = 1,7 В |
2 % 2 % |
|
| 6 | Входное сопротивление при Uп = 9 В, fвх = 1 кГц | 10 кОм | |
| 7 |
Выходная мощность при Uп = 9 В,
Rн = 4 Ома, Кг
2 % : К174УН4А К174УН4Б |
1,0 Вт 0,7 Вт |
|
| 8 | Диапазон рабочих частот при Uп = 9 В | 30...20 000 Гц | |
| 9 |
Коэффициент полезного действия при Uп = 9 В,
Rн = 4 Ома: К174УН4А при Pвых = 1,0 Вт К174УН4Б при Pвых = 0,7 Вт |
50 % 35 % |
Предельно допустимые режимы эксплуатации
| 1 |
Напряжение питания: в предельном режиме: |
8,1...9,9 В 5,4...10 В | |
| 2 |
Выходное напряжение: К174УН4А в предельном режиме К174УН4Б в предельном режиме |
2,0 В 2,25 В 1,7 В 1,87 В |
|
| 4 |
Амплитуда тока в нагрузке: К174УН4А в предельном режиме К174УН4Б в предельном режиме |
840 мА 900 мА 710 мА 750 мА |
|
| 5 |
Тепловое сопротивление: кристалл-корпус кристалл-среда |
60°С/Вт 135°С/Вт |
|
| 6 | Температура кристалла | +125 °С | |
| 7 | Температура окружающей среды | -25...+55°С |
Общие рекомендации по применению
При проведении монтажных операций допускается не более двух перепаек выводов микросхем. Температура пайки 235 ± 5°С, расстояние от корпуса до места пайки на более 1,5 мм, продолжительность пайки не более 6 с. При эксплуатации микросхемы должна быть предусмотрена защита от случайного увеличения напряжения питания. Эксплуатация микросхем допускается только с применением теплоотвода.
Для устранения высокочастотной генерации необходимо уменьшать индуктивность проводов, соединяющие вывод 7 с источником питания, использовать только короткие провода, экранировать провод, соединяющий вход микросхемы с генератором сигналов.
Регулировка коэффициента усиления напряжения на низких частотах может быть проведена изменением емкостей конденсаторов С2 и С4. Ослабление усиления на верхней граничной частоте 20кГц - не более 3 дб. Допускается регулировка коэффициента усиления напряжения с помощью изменения сопротивления резистора обратной связи R2 (в пределах 240 Ом…2,7 кОм) и емкости конденсатора С2. Допустимое значение статического потенциала 200 В.
Литература
Микросхемы для бытовой радиоаппаратуры: Справочник /И. В. Новачек, В. М. Петухов, И. П. Блудов, А. В. Юровский. - Москва: КУБК-а, 1995г. - 384с.:ил.
Интегральные микросхемы и их зарубежные аналоги: Справочник. Том 2./А. В. Нефедов. - М.:КУБК-а, 1996г. - 640с.:ил.
Аналоговые интегральные микросхемы: Справочник /А .Л. Булычев, В. И. Галкин, В. А. Прохоренко. - 2-е издание, переработанное и дополненное - Минск: Беларусь, 1993г. - 382с.
Аналоговые интегральные микросхемы для бытовой радиоаппаратуры: Справочник /Д. И. Атаев, В. А. Болотников. - Москва: Издательство МЭИ, 1991г. 240 с., ил.
| Навигатор: QRZ.RU > Радиолюбительская справочники > Справочник по отечественным микросхемам |