Что-то не так?
Пожалуйста, отключите Adblock.
Портал QRZ.RU существует только за счет рекламы, поэтому мы были бы Вам благодарны если Вы внесете сайт в список исключений. Мы стараемся размещать только релевантную рекламу, которая будет интересна не только рекламодателям, но и нашим читателям. Отключив Adblock, вы поможете не только нам, но и себе. Спасибо.
Как добавить наш сайт в исключения AdBlockРеклама
Параметры интегральной микросхемы К174УН5
| Навигатор: QRZ.RU > Радиолюбительская справочники > Справочник по отечественным микросхемам |
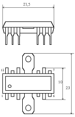
Корпуса ИМС К174УН5
Принципиальная схема ИМС К174УН5
Типовая схема включения ИМС К174УН5
Электрические параметры
Предельно допустимые режимы эксплуатации
Общие рекомендации по применению
Литература
Микросхема представляет собой усилитель мощности с номинальной выходной мощностью 2 Вт при нагрузке 4 Ом для работы в звуковых трактах аппаратуры. Содержит 42 интегральных элемента. Микросхема конструктивно оформлена в корпусе типа 238.12-1 и второй вариант приведен на рисунке, масса не более 2 гр.
Корпуса ИМС К174УН5
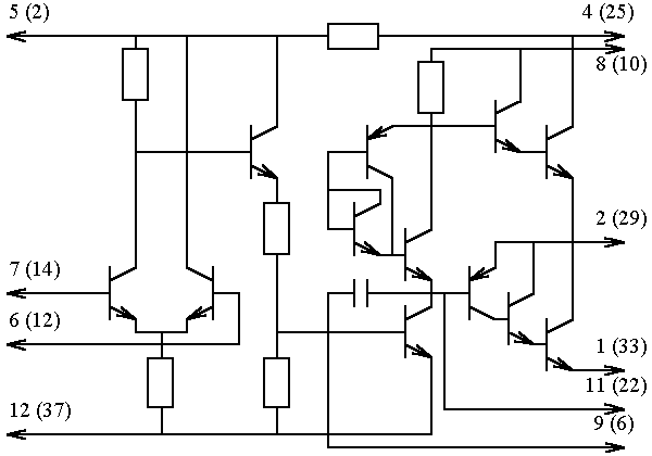
1,12 - общий2 - выход 4 - напряжение питания 5,8 - фильтр 6 - вход 2 7 - вход 1 9,11 - коррекция |
33,37 - общий29 - выход 25 - напряжение питания 2,810 - фильтр 12 - вход 2 14 - вход 1 6,22 - коррекция |
Принципиальная схема ИМС К174УН5

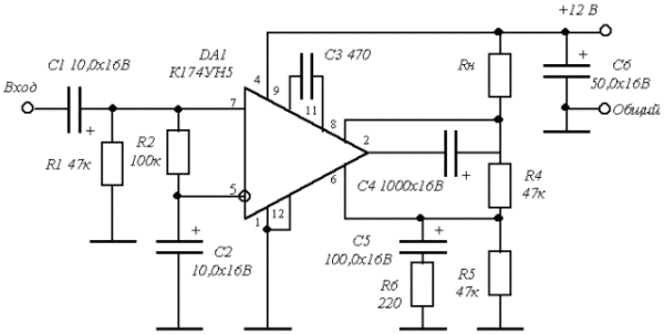
Типовая схема включения ИМС К174УН5

Электрические параметры
| 1 | Номинальное напряжение питания | 12 В ± 10 % |
| 2 | Ток потребления при Uп = 12 В | 30 мА |
| 3 | Коэффициент усиления при Uп = 12 В, fвх = 1 кГц | 80 ... 120 |
| 4 |
Нестабильность коэффициента усиления напряжения при Uп = 12 В, fвх = 1 кГц не более |
± 20 % |
| 5 |
Коэффициент нелинейных искажений при Uп = 12 В, fвх = 1 кГц, Pвых = 2 Вт |
1,0 % |
| 6 | Входное сопротивление при Uп = 12 В, fвх = 1 кГц | 10 кОм |
| 7 |
Номинальная мощность отдаваемая в нагрузку Rн = 4 Ома при Uп = 12 В |
2,0 Вт |
| 8 | Диапазон рабочих частот по уровню 3 дБ | 30 ... 20 000 Гц |
Предельно допустимые режимы эксплуатации
| 1 | Напряжение питания | 13,2 В |
| 2 | Максимальное напряжение синфазных сигналов | 5,5 В |
| 3 | Максимальная амплитуда выходного напряжения | 1,5 В |
| 4 | Амплитуда тока в нагрузке разового сигнала | 1,45 А |
| 5 |
Максимальная длительность выходного импульса при скважности 3 |
30 мС |
| 6 | Активное сопротивление нагрузки | 3,2 Ом |
| 7 | Температура кристалла | +125 °С |
| 8 |
Тепловое сопротивление: кристалл-корпус кристалл-среда |
20 °С/Вт 100 °С/Вт |
| 9 | Температура окружающей среды | -25 ... +55 °С |
Общие рекомендации по применению
Не допускается эксплуатация микросхемы в режиме, при котором два параметра имеют предельно допустимые значения.
При эксплуатации микросхемы должна быть предусмотрена ее защита от случайного увеличения напряжения питания. Эксплуатация микросхемы допускается только с применением теплоотвода.
При проведении монтажных операций допускается не более двух перепаек выводов микросхем. Температура пайки при монтаже микросхемы не более 265°С, продолжительность пайки вывода не более 3 с, интервал между пайками соседних выводов - 10 с. Расстояние от корпуса до места пайки на менее 1 мм.
При монтаже микросхемы рекомендуется предусматривать наименьшую длину выводов навесных элементов для уменьшения влияния паразитных связей. Замену микросхемы необходимо производить только при отключенном источнике питания.
Литература
Микросхемы для бытовой радиоаппаратуры: Справочник /И. В. Новачек, В. М. Петухов, И. П. Блудов, А. В. Юровский. - Москва: КУБК-а, 1995г. - 384с.:ил.
Интегральные микросхемы и их зарубежные аналоги: Справочник. Том 2./А. В. Нефедов. - М.:КУБК-а, 1996г. - 640с.:ил.
Аналоговые интегральные микросхемы: Справочник /А .Л. Булычев, В. И. Галкин, В. А. Прохоренко. - 2-е издание, переработанное и дополненное - Минск: Беларусь, 1993г. - 382с.
| Навигатор: QRZ.RU > Радиолюбительская справочники > Справочник по отечественным микросхемам |
1,12 - общий
33,37 - общий