Что-то не так?
Пожалуйста, отключите Adblock.
Портал QRZ.RU существует только за счет рекламы, поэтому мы были бы Вам благодарны если Вы внесете сайт в список исключений. Мы стараемся размещать только релевантную рекламу, которая будет интересна не только рекламодателям, но и нашим читателям. Отключив Adblock, вы поможете не только нам, но и себе. Спасибо.
Как добавить наш сайт в исключения AdBlockРеклама
КР548ХА1, КФ548ХА1 - усилитель промежуточной частоты с детектором АМ-сигнала
| Навигатор: QRZ.RU > Радиолюбительская справочники > Справочник по отечественным микросхемам |
Корпус КР548ХА1
Корпус КФ548ХА1
Условное графическое обозначение
Схема применения
Электрические параметры
Предельно допустимые режимы эксплуатации
Литература
Микросхемы представляют собой усилитель промежуточной частоты с детектором амплитудно-модулированного сигнала, построенном на основе RC-фильтров без применения катушек индуктивности. Корпус КР548ХА1 типа 236.16-1, масса не более 1,5 г., КФ548ХА1 типа 4308.16-1, масса не более 1 г.
Корпус ИМС КР548ХА1
|
Корпус ИМС КФ548ХА1
|
Условное графическое обозначение
|
1 - элементы активного фильтра; 2 - вход УНЧ; 3 - блокировачный конденсатор; 4 - выход усилителя тока; 5 - индикатор настройки; 6 - фильтр АРУ; 7 - общий; 8,9,10 - свободные; 11 - напряжение питания; 13,14,15,16 - элементы активного фильтра; |
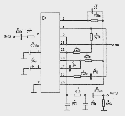
Схема применения
Электрические параметры
| 1 | Номинальное напряжение питания | 6 В + 10 % |
| 2 | Выходное напряжение Uвых1 при Uвх=100 мкВ, fм=1 кГц, Kм=30%, f=465 кГц | не более 10 мВ |
| 3 | Выходное напряжение Uвых3 при Uвх=100 мкВ | 50...120 мВ |
| 4 | Выходное напряжение Uвых2 при Uвх=1 мВ | не менее 40 мВ |
| 5 | Коэффициент гармоник при Uвх=10 мВ, fм=1 кГц, Kм=80%, f=465 кГц | не более 3% |
| 6 | Отношение сигнал/шум при Uвх=10 мВ, f=465 кГц | не менее 43 дБ |
Предельно допустимые режимы эксплуатации
| 1 | Напряжение питания | 3...9 В |
| 2 | Входное напряжение | не более 110 мВ |
| 3 | Напряжение статического потенциала | 2 кВ |
| 4 | Частота входного напряжения | 420...500 кГц |
| 5 | Максималшьный коэффициент модуляции | 80% |
| 6 | Сопротивление нагрузки | 7,5...10 кОм |
Литература
Интегральные микросхемы и их зарубежные аналоги: Справочник. Том 2./А. В. Нефедов. - М.:ИП РадиоСофт, 1999г. - 640с.:ил.
| Навигатор: QRZ.RU > Радиолюбительская справочники > Справочник по отечественным микросхемам |