Что-то не так?
Пожалуйста, отключите Adblock.
Портал QRZ.RU существует только за счет рекламы, поэтому мы были бы Вам благодарны если Вы внесете сайт в список исключений. Мы стараемся размещать только релевантную рекламу, которая будет интересна не только рекламодателям, но и нашим читателям. Отключив Adblock, вы поможете не только нам, но и себе. Спасибо.
Как добавить наш сайт в исключения AdBlockРеклама
Велофара на светодиодах
Велофара на светодиодах
В последние пару лет радиоэлектронной промышленностью освоен выпуск
так называемых "светодиодов высокой яркости" бело-голубого
цвета, пригодных для использования в качестве источников света. Преимущества
по сравнению с лампами накаливания очевидны - малый ток потребления
(20 мА), малое напряжение питания (1,6-2 В), высокий КПД (не выделяют
тепла), высокая надежность (отсутствует вакуумный баллон, нежная спиралька
накаливания). Минусы - чрезмерная цена промышленных устройств на этих
светодиодах. Налобный фонарик с тремя светодиодами стоит в "Альпиндустрии"
около 1000 рублей. Между тем, на радиорынке в Митино давно торгуют в
розницу по 50-60 руб. за светодиод (на май 2002г.). Прямая выгода для
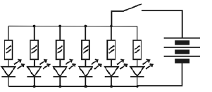
любителей "самопала"! Решил сделать светодиодную фару. Недостаток яркости компенсирую количеством - закупил 6 светодиодов (а можно было и 8 - 10, все равно шесть ВТРОЕ экономичнее, чем одна лампочка). Долго думал, из чего бы мне покрасивее корпус сделать. В идеале - готовую велофару взять, но негде. Взял… мертвую мышь. Отличный корпус, эргономический дизайн! Распилил лобзиком, задняя часть - то что надо. Пластмасса для мышей отлично пилится, склеивается дихлорэтаном. Светодиоды размещаются на простейшей печатной плате, схему соединения подсмотрел, разобрав фирменный фонарик. Для 4,5-вольтового питания (три пальчиковых батарейки) все светодиоды соединяются параллельно, но с последовательными гасящими резисторами по 8 - 10 Ом 0,125 Вт (см. схему). Хотя если источник питания больше 6 вольт - можно пробовать последовательное соединение - возрастет экономичность (так что если есть малогабаритныйе источники на 6-9-12 вольт, способные длительно отдавать ток 50-100 мА - можно пристроить их к полезному делу).
Рис. 1. Последовательное соединение светодиодов Выключатель - любой малогабаритный. Отражатель в этой оптической системе не нужен, какие-либо фокусирующие элементы - тоже. Наоборот, диаграмма излучения этих светодиодов настолько узкая, что на плате их оказалось необходимо распаивать и разгибать немного "веером" - иначе пятно света на дороге получается очень яркое, но узкое. Внешнее стекло с оптической точки зрения излишне, но для защиты от грязи, дождя и механических повреждений я решил его все-таки установить. Но если нет возможности обработать "настоящее" стекло - тогда лучше не ставить вообще никакого: на оргстекле будут очень большие потери.
Рис. 2. Световое пятно на дороге - схематически Фотографии велофары(здесь на странице - превьюшки, кому надо посмотреть крупно - открывайте оригиналы. 640х480, около 16К)
Цвет корпуса можно было оставить родной, светло-серый, но для общей гармонии с остальной навеской велосипеда не грех и черной "нитрой" пройтись из баллончика (аккуратно! Нитрокраска очень активно растворяет серую "компьютерную" пластмассу). Батарейки размещаются в сумке для инструментов (она у меня большая). Сначала заложил батарейки в контейнер (корпус от старого фонарика). Покатался - плохие контакты, гаснет периодически, трясти надо. Спаял три батарейки последовательно проводками, обмотал скотчем - так проще и надежнее. Вот, пожалуй, и все. Конструкция очень простая, и по-моему, понятная. На рисунках:
Рис.3. Схема распиливания мыши: Пилим лобзиком, главное - максимальная точность. Мелкая наждачка положенная на стекло позволит вывести идеальные плоскости - залог качественной склейки и хорошего внешнего вида изделия. Из остатков нижней и верхней частей корпуса выпиливаются полоски квадратного сечения. Из них формируются пазы для закрепления стекла и платы светодиодов. Все "лишние" внутренние элементы корпуса начисто срезаются скальпелем (а лучше - бормашиной). В принципе, дизайн мышей очень разнообразен, и в каждом конкретном случае оптимальное рассечение придется придумывать индивидуально.
Рис 4. Схема склейки частей. Верх и низ между собой не склеивать, они собираются на одном винте.
Рис 5. Фара в разрезе. Для фиксациии стекла и печатной платы на верхнюю и нижнюю половинки корпуса по месту приклеиваются брусочки (примерно 2х2х20мм). Между ними образуются пазы, надежно удерживающие плату и стекло. Этот рисунок - тоже миниатюра, его можно посмотреть крупно.
Рис 6. Принципиальная схема (вариант на 4,5 вольт): Трехмесячной эксплуатацией самоделки я доволен. Яркость, конечно, уступает галогеновой лампе (хотя холодный бело-голубой цвет - похож:). Но препятствия на дороге в темноте видно хорошо - а что еще от фары нужно? Измерил потребление тока - 110 мА на 6 светодиодов (лампочка от карманного фонарика жрет минимум 300 мА, а галогенки - в 2-3 раза больше). Затраты - 300 руб. плюс батарейки. Зато трех батареек хватит на ГОД вечерних покатушек. А может быть, не поленюсь, и переделаю печатную плату на 8 или даже 10 светодиодов - еще приятнее кататься будет. Особенно актуален переход на светодиоды для серьезных велопутешественников. У фонарей с лампами накаливания срок автономной работы в лучшем случае 3-4 часа. Но если катаясь по вечерам в городских парках можно смириться с необходимостью почти каждый день ставить фонарь на подзарядку, то что делать в многодневном походе? Брать с собой несколько комплектов батарей - тяжело, в походе и так каждый грамм на счету. А фара на диодах будет без проблем светить все ночи напролет в течение недели - и это на обычных батареях средней цены\качества. Я, например, использовал "Варту", и за 3 месяца наездил с включенной фарой не очень много - часов 25-30. Признаков "подсаживания" пока не наблюдается. P.S. А недавно встретил в магазине промышленный аналог :-)) Явно китайская вещь на ОДНОМ светодиоде! Вот так можно убить любую изначально правильную идею. Теперь купившие это чудо скажут - да, юзал я эти светодиодные фонарики, полная туфта, совсем не светит. И будут правы. Что можно тут посоветовать? Корпус-то хороший - можно попробовать вместо одного поставить хотя бы 3-4 диода - такой вариант позволит кататься. 30 июля 2002 г. Москва. P.P.S. За месяц нахождения статьи на сайте получено немало писем. Всем спасибо. Во многих вопрос о типе данных светодиодов, о технических характеристиках типа яркости в канделлах и т. д. Так вот, к сожалению, Я ЭТОГО НЕ ЗНАЮ. Сам я покупал их в Митино, в палатке с демонстрационным стендом - где несколько десятков различных светодиодов зажжены одновременно. Просто посмотрел - и купил. Продавцы типы и обозначения своего товара тоже не знали. Если кто-то узнает - напишите мне, будте так добры, я дополню статью чтобы ни у кого не возникало вопросов. P.P.S. ПОЛУЧЕНА ПЕРВАЯ ИНФОРМАЦИЯ ПО СВЕТОДИОДАМ. Похоже, есть несколько производителей, но один из них - компания Nichia (www.nichia.co.jp), светодиоды ее производства обозначаются NSPW500BS, и бывают трех групп по яркости, типовое значение 9.2 - 6.4 - 4.6 канделы при угле 20 градусов. Нужны, ессно, те, что поярче :-) Поставками на наш рынок занимаются компании Poverlight (http://www.powerlight.ru), Ligitek, Kingbright . Дополнение от января 2003 года: Как и следовало ожидать, в продаже появляется все больше и больше приличных промышленных светодиодных фонарей, в т.ч. - и для велосипеда. Таким образом, их самостоятельное изготовлене скоро утратит актуальность:-) Вот, например, ссылка, любезно присланная на днях Алексеем Соколовым ( an_sokolov (at) bk.ru ) :
http://www.cateye.com/detail_mod02.php?products_id=91 Как видите, дизайн уже вполне приличный. Цена - пока еще нет :-))))) Или вот еще - так называемый upgrade-модуль для налобника "DUO BELT", аж на 8 диодов
Если что-то кому-то осталось неясным - пишите. Отвечу письмом, и\или дополню данную статью. Алексей Сигаев, E-mail: alekssi (at) yandex.ru 30.07.2002г. А что дальше? Как сделать еще более крутую фару?Об этом - следующая статья >> (только для специалистов) :-) |











