Что-то не так?
Пожалуйста, отключите Adblock.
Портал QRZ.RU существует только за счет рекламы, поэтому мы были бы Вам благодарны если Вы внесете сайт в список исключений. Мы стараемся размещать только релевантную рекламу, которая будет интересна не только рекламодателям, но и нашим читателям. Отключив Adblock, вы поможете не только нам, но и себе. Спасибо.
Как добавить наш сайт в исключения AdBlockРеклама
Велофара на светодиодах - второй вариант
Велофара - что дальше?
Итак, первая фара построена,
испытана и "обкатана". Каковы дальнейшие перспективные направления
светодиодного фаростроения? Первым этапом, наверное, будет дальнейшее
наращивание мощности. Планирую постройку 10-диодной фары с переключаемым
режимом работы 5\10. Ну а дальнейшее улучшение качества требует применения
сложных микроэлектронных компонентов. Например, мне кажется, неплохо
бы избавиться от гасящих\выравнивающих резисторов - ведь на них теряется
30-40% энергии. И стабилизацию тока через светодиоды независимо от разряженности
источника хотелось бы иметь. Наилучшим вариантом было бы последовательное
включение всей цепочки светодиодов со стабилизацией тока. А чтобы не
увеличивать количество последовательных батарей, нужно чтобы эта схема
еще и напряжение увеличивала с 3 или 4,5 В до 20-25 В. Такие вот, так
сказать, ТУ на разработку "идеальной фары". В частности, линейку ИС различного назначения для управления светодиодами выпускает фирма Maxim (Maxim Integrated Products, Inc), на сайте которой (http://www.maxim-ic.com) была найдена статья "Solutions for Driving White LEDs" (Apr 23, 2002). Некоторые из этих "решений" отлично подойдут для велофары:
Рис.1 Общая блок - схема управления светодиодами Готовые варианты схем:
Вариант 1. Микросхема MAX1848, управление цепочкой из 3х светодиодов.
Вариант 2. Повышенная мощность. Микросхема MAX1848, включение 3х параллельных цепочек.
Вариант 3: Возможна другая схема включения обратной связи - с делителя напряжения.
Вариант 4. Микросхема MAX684 (судя по описаниям, MAX684 очень похожа по параметрам и характеристикам на MAX1848, требует меньше деталей внешней навески, не требует внешней индуктивности, но ее КПД преобразования на 20-25% хуже). Нагрузочная способность микросхем этого семейства:MAX682 - 250 мА MAX683 - 100мА MAX684 - 50мА
Вариант 5. Максимальная мощность, несколько цепочек светодиодов, микросхема MAX1698
Вариант 6. Вместо гасящих\выравнивающих сопротивлений - трехканальное "токовое зеркало", микросхема MAX1916.
Вариант 7. Повышающий напряжение безиндуктивный интегральный DC\DC-преобразователь, микросхема MAX684, токовое зеркало в нагрузке.
Вариант 8. Микросхема MAX1759.
Вариант 9. Та же микросхема MAX1759 , нагрузка до 100 мА. Благодаря письму от Mike (Mike@nmd), любезно приславшему ссылочку http://www.cooler.it/cl250402.html, удалось выйти на целое семейство микросхем DC\DC повышающих конвертеров, хоть и не предназначенных специально для питания LED`ов, но вроде бы, вполне пригодных для постройки фар и других фонариков.
Вариант 10. Микросхема MAX619 - пожалуй. самая простая схема включения. Работоспособность при падении входного напряжения до 2 В. Нагрузка 50 мА при Uвх.>3 В.
Вариант 11. Микросхема MAX878, входное напряжение может изменяться от 1,5 до 6,2 В. Выход 3,3 В, до 250 мА.
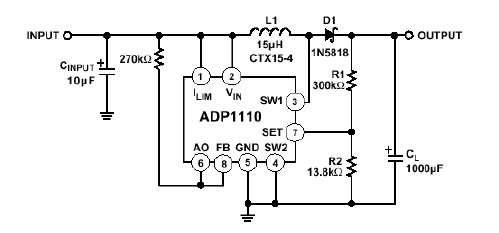
Вариант 12. Микросхема ADP1110 - по слухам, более распространена, чем MAXы, работает начиная с Uвх=1,15 В (!!! всего одна батарейка !!!) Uвых. до 12 В
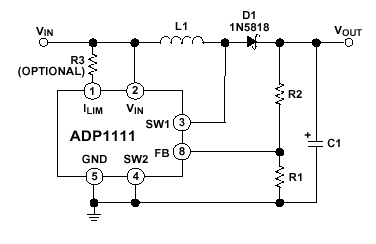
Вариант 13. Примерно то же самое, минимальное входное 2 В, нагрузка 300 мА
Вариант 14. Микросхема LTC1044 - очень простая схема подключения, Uвх=от1,5 до 9 В; Uвых= до 9 В; нагрузка до 200мА (но впрочем, типовое 60 мА) Как видите, выглядит все это весьма заманчиво:-) Осталось только где-то найти эти микросхемы незадорого.... 23 января 2003 г. Ура! Найдена ADP1111 (110 руб. с НДС) Строим новую мощную фару! 10 светодиодов, с переключением 6\10, пять цепочек по два.
13 февраля 2003 г. Для энтузиастов ссылки на оригинальные MAXIMовские статьи:
На сайте Rainbow Tech: Maxim: Приборы DC-DC преобразования (сводная таблица) На сайте Premier Electric: Импульсные регуляторы и контроллеры для ИП без гальв. развязки (сводная таблица) На сайте Averon - микросхемы для источников питания (Analog Devices) - сводная таблица Если что-то кому-то осталось неясным - пишите. Отвечу письмом, и\или дополню данную статью. Алексей Сигаев, E-mail: alekssi (at) yandex.ru 30.07.2002г. Как сделать светодиодный (не вело-) фонарь из лампового? |
















