Что-то не так?
Пожалуйста, отключите Adblock.
Портал QRZ.RU существует только за счет рекламы, поэтому мы были бы Вам благодарны если Вы внесете сайт в список исключений. Мы стараемся размещать только релевантную рекламу, которая будет интересна не только рекламодателям, но и нашим читателям. Отключив Adblock, вы поможете не только нам, но и себе. Спасибо.
Как добавить наш сайт в исключения AdBlockРеклама
Передатчик на МС2833
|
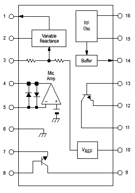
На страницах радиолюбительских изданий часто встречаются описания различных радиолюбительских и промышленных СВ-радиостанций. Все уже привыкли к тому, что "типовая" СВ-радиостанция с ЧМ состоит из приемного тракта, обязательно построенного на микросхемах (преимущественно на К174ХА26 и еЈ аналогах) и передающего тракта на транзисторах. Причем, если микросхемы и допускаются в передающий тракт, то не далее микрофонного усилителя или модулятора. Все высокочастотные узлы передатчика (задающий генератор, усилитель мощности) традиционно транзисторные. Однако фирма "МОТОРОЛА" выпускает микросхему МС2833, представляющую собой полный тракт маломощного ЧМ-передатчика СВ-диапазона. Микросхема содержит микрофонный усилитель, частотный модулятор, задающий высокочастотный генератор (стабилизация частоты внешним кварцевым резонатором), и однокаскадный усилитель мощности. Для построения передатчика мощностью 20-30 мВт никакие дополнительные транзисторные каскады не требуются.
В составе микросхемы есть два высокочастотных транзистора средней мощности, полностью выведенные (выводы 11-12-13 и выводы 7-8-9). На этих транзисторах строятся каскады усилителя мощности, на первом транзисторе (11-12-13) - предварительный усилитель, и на втором (7-8-9) - оконечный. На рисунке 2 показана реальная схема маломощного передатчика, построенного на этой микросхеме. Частота задающего генератора определяется частотой резонанса цепи, состоящей из кварцевого резонатора Q1, индуктивности L1 и варикапа, который имеется внутри микросхемы А1 (он выводится на вывод 1 А1). Катушка 11, совместно с этим варикапом образует цепь, сдвигающую частоту Q1 от еЈ номинального значения. Степень сдвига зависит от параметров этой цепи. Модулирующий сигнал снимается с электретного микрофона М1 и поступает на микрофонный усилитель-ограничитель, входящий в состав микросхемы (на вывод 5). С выхода усилителя (вывод 4) сигнал поступает на модулятор (вывод 3), в основе которого лежит варикап, включенный последовательно 11. Таким образом осуществляется частотная модуляция. Задающий генератор вырабатывает ВЧ-напряжение, по частоте равное резонансной частоте цепи Q1-L1-варикап микросхемы. Режим работы задающего генератора по постоянному току можно установить подбором номинала резистора R1. ВЧ напряжение снимается с вывода 14 А1 и через конденсатор С5 поступает на вход предварительного усилителя мощности, собранного на транзисторе, выведенном на выводы 11-12-13. Резистор R2 задает напряжение смещения на базе этого транзистора. Его эмиттер (вывод 12) соединен с общим минусом питания, а в коллекторной цепи включен контур L2-C6-C7, настроенный на частоту несущей. ![]() Puc.2 Усиленный сигнал снимается с этого контура через емкости С6 и С7, образующие контурную емкость и делитель ВЧ напряжения на два. Выходной каскад УМЗЧ выполнен на втором транзисторе (выводы 7-8-9 микросхемы). Сигнал с точки соединения С6 и С7 поступает на базу этого транзистора вместе с небольшим напряжением смещения, задаваемым резистивным делителем R6-R7. В коллекторной цепи этого транзистора включен дроссель DL1. С коллектора транзистора (вывод 9) ВЧ сигнал поступает через согласующий "П"-контур в антенну. Для намотки катушек используются каркасы диаметром 4 мм с подстроечными ферритовыми сердечниками 100ВЧ диаметром 2.6 мм. Катушка L1 содержит 16 витков, катушка L2 -6,5 витка, катушка L3 - 8 витков. Везде используется провод ПЭТВ-1 0,24. Дроссель DL1 - фабричный ДПМ-01, на 100 мкГн. Настройка - традиционна. Сигнал с выхода задающего генератора смотреть на выводе 15 А1, сигнал, поступающий на каскад предварительного усиления мощности - на выводе 14, сигнал с выхода предварительного УМ - на выводе 8. Контролировать излучение антенны можно при помощи объемной катушки, включенной на входе осциллографа, либо по индикатору напряженности поля, волномеру, и т.п. В случае согласованной нагрузки - на эквиваленте антенны. Коневич В.С. |
Структурная схема микросхемы показана на рисунке 1. Микросхема исполняется в двух корпусных вариантах - MC2833D - это микросхема в миниатюрном
пластмассовом корпусе с торцевыми пленарными выводами для поверхностного монтажа, и МС2833Р -корпус такой, как у К561 с 16-ю выводами. Оба варианта имеют одинаковые разводки по выводам. Если у Вас есть желание просмотреть оригинальное описание микросхемы, представленное фирмой Motorola - можете (395 kB).
