Что-то не так?
Пожалуйста, отключите Adblock.
Портал QRZ.RU существует только за счет рекламы, поэтому мы были бы Вам благодарны если Вы внесете сайт в список исключений. Мы стараемся размещать только релевантную рекламу, которая будет интересна не только рекламодателям, но и нашим читателям. Отключив Adblock, вы поможете не только нам, но и себе. Спасибо.
Как добавить наш сайт в исключения AdBlockРеклама
Радиолодка - помощник рыболова (электроника)
|
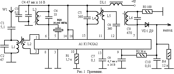
Часто на рыбалке завидуешь обладателям надувных лодок. На лодке можно и резинку затянуть в нужное место, и прикормить точно в том месте, где лежат крючки. Но есть категория рыбаков, которые, имея даже лодку, не смогут ею пользоваться. Это пожилые люди, инвалиды или просто рыбыки без лодки. Для них предлагается эта разработка. Для установки и поднятия грузила резинки, для прикормки рыбы мною разработана радиоуправляемая модель катера. Сразу оговорюсь, что электронная часть не оригинальна и может быть использована любая пара приемник - передатчик, модулятор - демодулятор (на 5 команд). Описание начну по порядку необходимости изготовления и настройки: приемник - передатчик, модулятор - демодулятор, совместная работа. К механической части отнесем: изготовление модели, выбор ходовых двигателей и их размещение, изготовление исполнительного барабана и редуктора. Ходовые испытания будут продолжаться все лето и по их результатам будут постоянные дополнения на странице автора http://www.radic.newmail.ru. На все работы у меня ушло два месяца. С учетом всевозможных проб, ошибок и настроек без специальных приборов. При наличии деталей все это можно повторить за 2 - 3 недели (конечно, без ошибок). ПриЈмник Приемник собран на микросхеме К174ХА2 по схеме предложенной В. Каравкиным в [1] смотрите рис.1. В микросхеме используется усилитель сигналов радиочастоты (выводы 1,2) без схемы АРУ (вывод 3), гетеродин (вывод 5,6), смеситель (вывод 15), УПЧ с системой АРУ (выводы 11,12,13,7,9). Сигнал РЧ выделяется антенным контуром L1,C2 и через катушку связи L2 подается на входной усилитель микросхемы. Частота гетеродина определяется настройкой контура L3,C4 и стабилизирована кварцем ZQ1. Сигнал ПЧ выделяется контуром L4,C5 и подается на вход УПЧ через катушку связи L5 и конденсатор С6. С выхода УПЧ сигнал выделяется контуром L6,C9 и детектируется диодом VD1. Сигнал низкой частоты через резистор R2 подается на вход 9 АРУ УПЧ и на выход приемника, к компаратору. О выборе резонаторов писалось не раз. Напомню, что желательно выбирать пару кварцев с разностной частотой 465 кГц. Но и это не обязательно, если применять ФПЧ настроенный на номинал вашей разностной частоты. У меня использована пара 26,666 МГц в приемнике и 27,14 МГц в передатчике. Контурные катушки взяты от старого приемника ВЭФ-Спидола 202. Без изменения используются катушки ФПЧ (L4,L5) и преддетекторного фильтра (L6). Катушки желательно брать с их конденсаторами. Но там стоят конденсаторы типа КС, имеющие большие размеры, поэтому надо брать ближайший номинал. Можно брать и с любого другого приемника. Входной и гетеродинный контура намотаны на аналогичных каркасах, но без броневых сердечников. L1, L3 имеют по 8 витков провода ПЭВ 0,2 - 0,4, а катушка связи L2 - 3 витка такого же провода, намотанного поверх катушки L1. Печатная плата использована авторская без изменений. Надо заметить, что приемник начинает работать сразу. Если поставить на выходе небольшой усилитель низкой частоты, например, на микросхеме К174ХА10, с динамиком 8 Ом, то настройка всей системы станет гораздо удобнее. Использованная литература: В. Каравкин, Простая СВ-радиостанция с амплитудной модуляцией, ж. Радиоконструктор №01, 2001, стр.2-4.
Если со схемой приемника удалось определиться сразу, то схем передатчиков пришлось перепробовать множество. Хотя схематически они все идентичны, существует много нюансов. Основной критерий выбора схемы передатчика - простота настройки без специальных приборов и дальность уверенного приема. Была выбрана схема передатчика С. Андреева [1], рис.2. Основной ее недостаток - повышенный ток потребления легко преодолеть запитывая передатчик от аккумулятора транспорта (машина, мотоцикл).
Задающий генератор собран на транзисторе VT3. Генератор стабилизирован кварцем на частоту 27,14 МГц. Если у вас в приемнике стоит кварц на другую частоту чем указанный на рис.1, то в передатчике должен стоять кварц с разностной частотой около 465 кГц (можно 450-470). Частота генератора выделяется контуром L4, C3, C4 и через катушку связи L3 подается на базу усилителя мощности. Усилитель мощности на транзисторе VT1 работает прерывисто. Он включается, когда открывается транзистор VT3 и замыкает эмиттер усилителя на землю. Управление транзистором VT2, работающем в ключевом режиме, производится модулятором. Передатчик собран навесным монтажом размерами 50х60х10. Для этого резьба транзисторов удаляется. На один слой фольгированного стеклотекстолита (50х60 мм) раскладываются детали. Есть специальный однослойный стеклотекстолит, но его можно сделать и самому, отслоив от двухслойного несколько слоев. Фольга будет хорошим экраном. Детали необходимо раскладывать на стеклотекстолит, а не на фольгу. Детали раскладываются так, чтобы роторы КПЕ выходили наружу. Крупные детали сажаются на силиконовый герметик. Мелкие детали навешиваются на крупные. Земляные выводы, через отверстия в стеклотекстолите припаиваются к фольге. После настройки передатчика навесные детали фиксируются герметиком, чтобы не было микрофонного эффекта. По углам и в центре платы делаются отверстия под медный провод (можно обрезки от выводов). Сверху этот "бутерброд" накрывается слоем стеклотекстолита и пропаивается. Таким образом, получился плоский экранированный передатчик с выводами проводов антенны, плюса питания и модулятора. При заливке герметиком надо помнить, что резистор R1 и транзистор VT3 при работе нагреваются. Поэтому они не должны прикасаться своим герметиком к другим элементам. Катушки L1, L4 намотаны проводом ПЭВ 0,5-0,6 на оправке 8 мм и имеют соответственно 17 и 21 виток. L3 - 3 витка монтажного провода, намотанного на катушку L4. L2, L5, L6 - дросселя на 5, 5, 20 мкГн. Если у вас нет заводских дросселей, не беда. Формула для приблизительного расчета индуктивности в мкГн - N=32V L/4,2 для резистора МЛТ-0,5 номиналом более 50 кОм. В этой формуле N-число витков, V- корень квадратный, L- индуктивность. Толщина провода выбирается из расчета мощности дросселя (обычно ПЭВ- 0,1 - 0,3). Надо помнить, что мощный передатчик будет нормально работать, если приемник располагается не ближе 3 метров. Влияет излучение монтажных элементов при постоянно работающем генераторе. Потребляемый ток передатчика около 300 миллиампер (в норме -100).
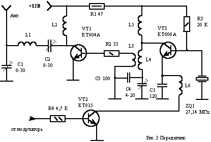
Если вы не пользуетесь транспортом и запитывать передатчик будете от батареек, то подойдет аналогичная схема на рис. 3. Ее потребляемый ток - 50 миллиампер (в норме20). Отличие этой схемы от предыдущей - модуляция задающего генератора, а не усилителя мощности. Эта схема работает, если период работы генератора модулятора более 25 миллисекунд, что не всегда удобно. На больших частотах мощный генератор не успевает войти в режим.
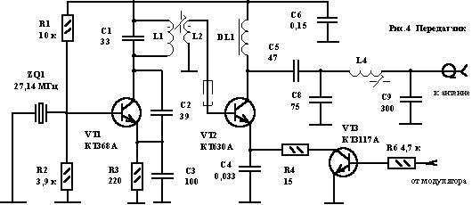
Схема еще одного передатчика, с потребляемым током около 15 миллиампер, дана на рис. 4. Этот передатчик можно питать от батарейки типа "крона", но дальность уверенного приема уменьшается до 30-50 метров. На этой схеме катушки L1, L2, L4 намотаны на каркасах диаметром 5 мм с карбонильными сердечниками 3 мм. L1, L4 содержат по 17 витков провода ПЭВ- 0,3, L2 - 3 витка того же провода. Дроссель DL1 - 25 мкГн типа ДМ-0,1.Испольованная литература: Мобильная СВ-радиостанция. Андреев С. "Радиоконструктор", №9, 1999, стр.10-13.
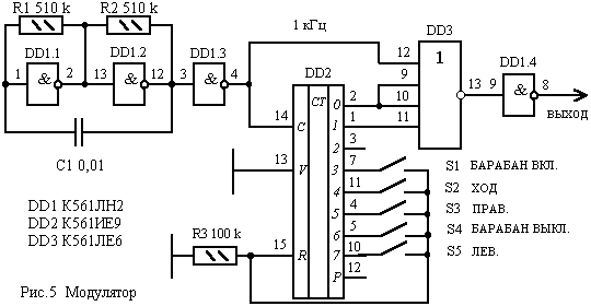
Модулятор изготовлен по схеме предложенной журналом "Радиоконструктор" номер 8, 2000 г. (автор не указан). Однако, генератор модулятора, по предложенной схеме работать не захотел. Поэтому пришлось добавить еще один корпус микросхемы, чтобы получить надежный симметричный импульс и уверенный запуск. Измененная схема дана на рис.5. Генератор состоит из, хорошо зарекомендовавшей, схемы симметричного мультивибратора на элементах DD1.1 и DD1.2. На выходе формирователя, построенного на элементе DD1.3, будут импульсы частотой около 1 кГц. Эти импульсы поступают одновременно на два формирователя. Формирователь числа импульсов (счетчик DD2) и формирователь длительности паузы ( схема ИЛИ-НЕ на DD3). Хотя формирователь числа импульсов участвует и в формировании длительности паузы. Высокий уровень на выходах 0 и 1 счетчика совпадает с высоким уровнем импульсов с генератора и на выходе элемента DD3 в это время будет логический ноль. При нажатии на кнопку S1 счетчик обнулится передним фронтом четвертого импульса. А на выходе DD3 сформируется положительный импульс. Длительность паузы равна 2,5 периодам частоты генератора. Таким образом, на выходе модулятора будет формироваться последовательность, состоящая из пачки импульсов и пауз. Число импульсов в пачке определяет номер нажатой кнопки, а длительность пауз постоянна.
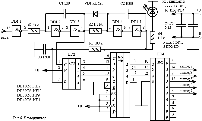
Демодулятор взят без изменений, но микросхема преобразователя уровня (561ПУ4) заменена на более ходовую. Схема демодулятора показана на рис. 6. Входной сигнал положительной полярности от компаратора инвертируется инвертором и поступает на формирователь импульсов и формирователь пауз. Формирователи построены по идентичной схеме и эквивалентны по действию интегрирующей цепи и триггеру Шмитта с гистерезисом. Рассмотрим работу формирователя длительности импульсов, построенного на элементах DD1.2, DD1.3 и R1, C1. В исходном состоянии на входе и выходе формирователя лог. 1. При поступлении отрицательного импульса конденсатор начнет заряжаться до уровня срабатывания логического элемента. Время заряда конденсатора определяет время гистерезиса. По заднему фронту импульса произойдет обратный процесс. Если длительность импульса меньше, чем постоянная времени интегрирующей цепи, то импульс не проходит через формирователь. Так фильтруются импульсы помех. Импульсы большей длительности проходят первый формирователь и поступают на формирователь пауз, работающий аналогично, но имеющий большую постоянную времени интегрирующей цепи. Таким образом, на выходе формирователя импульсов будет полная последовательность пачек импульсов и пауз, а на выходе формирователя пауз будут импульсы положительной полярности по длительности равные длительности пауз. Поскольку счетчик DD2 срабатывает по заднему фронту отрицательных импульсов, а регистр DD3 запоминает информацию с выходов счетчика по переднему фронту положительного импульса, то импульс паузы счетчиком не считается. Дешифратор DD4 преобразует двоичный код в двоично-десятичный позиционный. С выходов дешифратора сигнал поступает на усилители-формирователи. Светодиод выбран большой яркости и с малым током. Его можно поставить любым, но тогда днем его не будет видно. Хотя в солнечный день и выбранный светодиод на расстоянии 20 метров уже не видно не вооруженным глазом. В пасмурную погоду светодиод видно до 50 метров. Так как светодиод установлен на антенне катера. Использованная литература: Семикомандная система телеуправления. Радиоконструктор №8, 2000, стр. 25.
Компаратор преобразует сигнал с выхода приемника в последовательность импульсов логического уровня. Компаратор собран на специализированной микросхеме К554СА3 (рис.7). На входах компаратора стоят интегрирующие цепочки, имеющие различную постоянную времени. При поступлении импульсов с приемника интегратор с большой постоянной времени установит на прямом входе некоторый уровень напряжения. По этому уровню будет происходить сравнение на инверсном входе компаратора. На инверсном входе интегратор фильтрует возможные шумы и помехи. Компаратор имеет выход с открытым коллектором, поэтому стоит резистор R3. Печатную плату можно сделать из куска макетной платы. Важно, чтобы плата имела размер не более 20х25 мм. Плата устанавливается рядом с выходным фильтром приемника вертикально. Без крепежа.
Для управления двигателями используются ключи-формирователи см. рис.8. Дросселя и конденсаторы необходимы для подавления помех со щеток коллекторного двигателя. Диоды на входах играют роль схемы ИЛИ, для запуска двигателей хода от различных выходов демодулятора. Это необходимо для включения двигателя в одиночном режиме (левый-правый) и в совместном режиме (ход). Для включения двигателя редуктора необходим другой ключ, со схемой фиксации. Это необходимо потому, что редуктор работает в режиме сброса груза и в режиме разбрасывания корма. Сброс и подъем груза может осуществляться при выключенных двигателях хода. А разбрасывание корма должно происходить при работающих двигателях. А так как схема управления допускает работу только того устройства, кнопка которого нажата на пульте управления, возникла необходимость установки триггера. Смотрите рисунок 9.
На рисунке 9 показан переключатель рода работ, установленный на палубе. В режиме сброса груза вход сигнала включения двигателя поступает на ключ аналогичный ключу ходовых двигателей (минуя триггер). Двигатель редуктора вращается, пока нажата кнопка "ВКЛ". В режиме прикормки двигатель редуктора включается кнопкой "ВКЛ" через один из установочных входов триггера. В это время можно включить ходовые двигатели. Выключается двигатель редуктора кнопкой "ВЫКЛ" при не работающих двигателях хода. Печатные платы показаны на рис.10 и рис.11. Платы крепятся саморезами к деревянным палубным рейкам. На этом описание электронной части катера исчерпана. Перейдем к наладке.
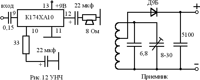
Оживление электроники лучше начинать с настройки приемника. Для этого потребуется небольшой усилитель мощности. Если у вас нет готового усилителя, скажем, активные колонки компьютера, то его не сложно собрать на части микросхемы К174ХА10 (см. рис. 12). Правильно собранный приемник работает сразу. При вращении подстроечников входных или гетеродинных контуров будут слышны шумы и голоса некоторых станций. Этого достаточно для проверки работоспособности. Окончательная настройка приемника будет производиться совместно с передатчиком и компаратором. Если приемник не заработал с первого включения, не отчаивайтесь. Помните золотое правило электроники: "Чудес в электронике не бывает, бывают плохие пайки". Проверьте монтаж, поменяйте фазировку входного контура. Проверьте отверткой работу усилителя мощности. Рекомендую микросхему устанавливать в панельку, для облегчения смены. Мне пришлось поменять 5 микросхем, чтобы выбрать лучшую. Базар предлагал микросхемы полностью сгоревшие. Поэтому при покупке следите, чтобы ножки микросхем были под небольшим углом. Иначе микросхему уже вставляли в панельку и, нет гарантии, что она работает. Если шумы, наконец, появились, настройте контура промежуточной частоты и выходной по максимуму звука. Настройка контура гетеродина пока не имеет значения - лишь бы что-нибудь было слышно. Настройку передатчика лучше делать с модулятором и включенным рядом телевизором на метровых каналах. Сначала передатчик настраивается на максимум мощности. Для этого необходимо между антенным входом и землей подключить лампу накаливания напряжением 1 вольт типа "Искра". При выключенном модуляторе, вращая роторы конденсаторов КПЕ, добиваются максимального свечения лампы. Затем, вращением сердечников контуров, увеличивают яркость свечения лампы. На этом настройку без антенны можно прекратить. Далее необходимо изготовить простейший детекторный приемник. Его схема показана ниже.
Катушка приемника содержит 10 витков провода 1-1,5 мм (можно монтажного) намотанного на бумажном каркасе диаметром 25 мм с шагом 4 мм. Отвод от 3 витка. Схему можно собрать на куске любой старой платы. Сначала настраивают приемник по максимуму показаний вольтметра (на пределе 0,2 В для М-838), с уже имеющейся настройкой передатчика. Потом настраивают передатчик, увеличивая показания вольтметра. Причем, сначала приемник может находиться на расстоянии 0,5 м от передатчика. По мере возрастания показаний приемник удаляют до 1 метра. Для мощного передатчика показания вольтметра достигают 0,5 вольта. В это время на экране телевизора появятся муаровые полосы. Причем, перемещением передатчика в пределах 1 метра находят максимальную яркость полос. Подключаем модулятор и, на экране можно наблюдать узкие полосы, чередующиеся с широкими. Широкие полосы это время паузы, а количество узких определяет номер поданной команды, при нажатии различных кнопок. Если вы этого добились, значит, передатчик можно считать настроенным. В дальнейшем проверку работоспособности передатчика легко сделать по экрану телевизора. Разумеется, все описанное выше не касается радиолюбителей, оснащенных частотомерами, высокочастотными осциллографами и даже измерителями АЧХ. У кого есть приборы, тот знает, как ими пользоваться. Я пишу для тех у кого (подобно мне) есть только блок питания и любой тестер вплоть до АВО-70 или Ц-21. Далее настраивают приемник совместно с передатчиком. Сначала их можно положить рядом и вращением контуров приемника добиваются звучания в динамике частоты около 1 кГц. Далее постепенно увеличивают расстояние между приемником и передатчиком, постоянно подстраивая контура приемника. На этом этапе можно вместо усилителя мощности к детектору приемника подключить вольтметр и измерять напряжение по постоянному току. Не бойтесь экспериментировать с подбором емкостей колебательных контуров. Большое влияние собственной емкости контура. Например, при намотке ваши руки были жирными или провод имеет другой тип изоляции. На одном экземпляре приемника мне пришлось уменьшить емкости С1 и С4 до 12 пик! На расстоянии 20 метров показания вольтметра можно считать хорошими, если они достигают 0,3- 0,5 вольта. Хотя паспортные данные на ХА2 -0,2 В. При настройке нельзя пользоваться одним источником питания. И двумя сетевыми - тоже. Дело в том, что излучение передатчика передается по электрическим проводам. Вся настройка приемника проводилась с антенной из куска провода длиной около 1 метра. Поэтому назвать ее окончательной нельзя, так же как нельзя торопиться заливать сердечники контуров воском. Это делается при окончательной настройке со штатной антенной приемника. Ориентировочно, можно считать достаточным настройку на расстояние 100 метров, но уверенного приема. На этом расстоянии еще можно увидеть поплавок грузила при тихой воде не вооруженным глазом, иначе придется "вооружить" глаза. Совместная настройка с демодулятором включает проверку наличия высоких уровней на выходах демодулятора при нажатии соответствующих кнопок. Если модулятор-демодулятор настроены в паре, то с передатчиком-приемником проблем не возникает. Только настройкой детекторного контура добиваются более четкого срабатывания компаратора. Если у вас есть низкочастотный осциллограф, то не плохо контролировать пачки сигналов на чистоту с выхода компаратора. Можно сделать вывод провода с этого места для последующих настроек. Чертежи корпуса, эскизы катера и общую электрическую схему можно посмотреть в следующей статье. Источник |

