Что-то не так?
Пожалуйста, отключите Adblock.
Портал QRZ.RU существует только за счет рекламы, поэтому мы были бы Вам благодарны если Вы внесете сайт в список исключений. Мы стараемся размещать только релевантную рекламу, которая будет интересна не только рекламодателям, но и нашим читателям. Отключив Adblock, вы поможете не только нам, но и себе. Спасибо.
Как добавить наш сайт в исключения AdBlockРеклама
DSP-процессор на основе микросхемы MF10
DSP-процессор на основе микросхемы MF10
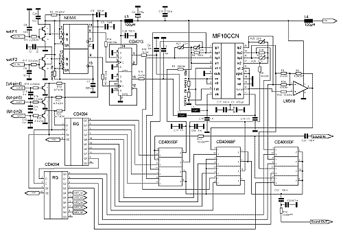
Так начинаются многочисленные статьи с данной тематикой. Да, это не плохо работает, но представьте ситуацию: Вы встали ночью и решили послушать трансивер и на первых секундах слышите интересную станцию, теперь вспоминаете про компьютер и включаете его. В течении нескольких минут(а может десятка минут) компьютер загружается и, наконец, программа звуковой обработки запустилась, а станции уже и нет…А если Вы решили развернуть такой комплект в полевых условиях, то без приличного ноутбука Вам не обойтись. Хотя в последнем случае и есть одно преимущество - компьютер можно усыплять без перезагрузки и не терять времени на этот процесс, но, к сожалению, я не встречал такого ноутбука, который сохранял бы свою работоспособность в таком режиме эксплуатации более недели. К этому ведут много причин, но сейчас не об этом. Более удобным вариантом для звуковой обработки представляется перестраиваемый НЧ фильтр жёстко встроенный в трансивер. Таких схем с использованием ОУ опубликовано достаточно, но мы живём в 21-м веке. В наши дни стремительное развитие электроники и цифровой техники породило огромное количество новых микросхем. Остановим своё внимание на National semiconductor. MF10 universal monolithic dual switched capacitor filter - прекрасная, не дорогая (около 5 USD) замена устаревшим фильтрам на ОУ со значительно лучшими характеристиками линейности, стабильности и главное-добротности. Эта микросхема представляет собой два совершенно идентичных по свойствам активных фильтра второго порядка. Фильтры не содержат внешних конденсаторов, эта функция заменена внутренними переключающимися с частотой внешнего управления конденсаторами, похожим образом работают, например цифровые линии задержки. Каждый из фильтров может работать в режиме низкочастотного, высокочастотного, полосового фильтра или вырезки. Форма характеристики а также добротность (крутизна) определяется соотношениями внешних резисторов (более подробно см. data sheet ). Частота среза задаётся для каждого из фильтров индивидуально путём подачи внешнего сигнала с частотой, равной частоте среза умноженной на 50 или 100. Для получения лучшего качества обработки, мной выбран множитель -100. Соответственно управляющие частоты должны иметь диапазон регулировки 30кГц…300кГц для перекрытия звукового лиапазона 300Гц…3кГц. Рис.1 Принципиальная схема устройства (Щелкните мышью для увеличения изображения) Принципиальная схема законченного блока обработки представляет собой сам монокристальный фильтр, блок генераторов на сдвоенном таймере NE555, и блока коммутации характеристик. Блок генераторов использует нестандартное включение таймеров в качестве генератора, с управлением частотой путём изменения порога срабатывания компараторов таймера, а не изменением параметров времязадающей цепи. Это позволило получить близкую к абсолютной, линейность регулировки частоты и отсутствие переменных сигналов в проводе управления частотой, что очень полезно отражается на помехах радиоприёму, создаваемых генераторами, а так же позволяет при желании легко ввести цифровое управление частотой. Сигналы с генераторов делятся на 2 сдвоенным D-триггером для получения "меандра" в соответствии с требованиями фильтра. Блок коммутации характеристик обеспечивает 16 характеристик. Он представляет собой 12 ключей типа 4066 или 561КТ3, управляемых через два регистра 4094 последовательным кодом. Вариант управления ключами может быть любым вплоть до галетного переключателя. Лишь бы задавлись кодовые комбинации, указанные на графиках. Младший разряд кодового 12-ти битного слова традиционно справа и соответствует младшему разряду первого (верхнего по схеме) регистра, остальные разряды по порядку… Регистры управляются подачей последовательно всех битов требуемой комбинации начиная с старшего на вход D, каждый бит стробируется одним положительным импульсом на входе C, и в конце загрузки подаётся один положительный импульс на вход STROB, после чего введённая комбинация появится на выходе регистра. С целью согласования уровней ТТЛ и КМОП, введены три транзисторных ключа, которые инвертируют входные сигналы регистра. Оставшиеся четыре свободных выхода регистра можно использовать для любых других функций пользователя. Рис.2 Характеристики фильтров (Щелкните мышью для увеличения изображения) Два слова о характеристиках:
Пунктирными линиями показаны частоты среза фильтров и соответственно генерторы F1 или F2, которые управляют их положением по оси частот.Если менять эти частоты среза, то понятно, что можно получать самые разнообразные характеристики для любого графика, например режим 9 может превратитьться из полосового фильтра четвёртого порядка в режекторный (вырезка) второго порядка с регулируемой шириной полосы вырезки и регулируемым положением этой вырезки. Понятно, что на практике такое количество характеристик возможно и не потребуется, поэтому каждый может выбрать для себя то что нравится, хотя если сделать цифровое управление номером характериститки (как это сделано в моём варианте), путём поворота ручки строб диска, то тогда случае выбор становится очень простым и оперативным и приносит только удовольствие…. Управление частотами генераторов лучше сделать через сдвоенный потенциометр 10-20ком, например регулятор громкости и шумоподавителя от какой нибудь переноски с ручками на одной оси.Резисторор R18 балансируют схему вырезки. Что первым обратило на себя внимание - это прекрасное
затухание в полосе заграждения, более 20 дб для фильтров второго порядка
и более 30 дб для фильтров 4-го порядка. Хотя следует заметить, что
фильтр плохо переносит перегрузку по уровню, входное напряжение желательно
выбирать не более 0.5в эфф. Контроллер для цифрового управления не описывается, т.к. он специфичен и выполняет кроме управления фильтрами массу дополнительных функций в моём трансивере IC-M710. Каждый может дополнить управление по своему вкусу, я предложил лишь идею выполнения фильтра, на мой взгляд, недорогого и качественного, по крайней мере несравнимо лучшего, чем аналогичные фильтры на ОУ. Печатная плата не приводится так же ввиду её специфичности,(она установлена вместо узла морского SOS в моём трансивере). Данная микросхема не явлется единственной для решения этой задачи. Её выбор обоснован прежде всего разумным соотношением между её ценой и возможностями (лучшие аналоги, есть даже с полностью цифровым управлением, стоят до 50 USD) Микросхема фильтра предлагается сетью
магазинов ELFA, elfa.se, по этом адресу можно познакомится с дилерской сетью.
|
|

