Что-то не так?
Пожалуйста, отключите Adblock.
Портал QRZ.RU существует только за счет рекламы, поэтому мы были бы Вам благодарны если Вы внесете сайт в список исключений. Мы стараемся размещать только релевантную рекламу, которая будет интересна не только рекламодателям, но и нашим читателям. Отключив Adblock, вы поможете не только нам, но и себе. Спасибо.
Как добавить наш сайт в исключения AdBlockРеклама
УСИЛИТЕЛЬ ПЧ ЗВУКА С ФАПЧ
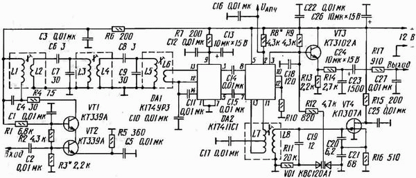
УСИЛИТЕЛЬ ПЧ ЗВУКА С ФАПЧРассмотренный авторами в статье «Высококачественный усилитель ПЧ звука» (Радио, 1985, № 2. с. 30—32) УПЧЗ обеспечивал прием звукового сопровождения телевизионных программ при включении по так называемой двухканальной схеме, т. е. когда к выходу селектора каналов телевизора, кроме усилителя ПЧ изображения, параллельно подключен УПЧЗ, настроенный на частоту 31,5 МГц. Причем принимаемый ЧМ сигнал звуковою сопровождения детектировался в квадратурном частотном детекторе без преобразования на вторую промежуточную частоту (6,5 МГц). В этой статье предлагается еще один вариант такого УПЧЗ, сохранивший все достоинства ранее описанного усилителя, но с заметно улучшенными техническими характеристиками в результате применения при детектировании ЧМ сигнала цепи фазовой автоматической подстройки частоты (ФАПЧ). Основные технические характеристики:
Принципиальная схема устройства изображена на рисунке. Входной ЧМ сигнал частотой 31,5 МГц усиливается и ограничивается каскадом, собранным на транзисторах VT1 и VT2 по каскадной схеме, и усилителем на микросхеме DA1. Он выделяется включенным между ними трехконтурным фильтром сосредоточенной селекции (ФСС) L1C4L2C6L3C7L4C8L5C9L6. Демодуляция звукового сигнала происходит в частотном детекторе с ФАПЧ, выполненном на микросхеме DA2 и транзисторе VT4. Микросхема DA2 представляет собой фазовый детектор и усилитель постоянного тока. На полевом транзисторе VT4 собран генератор, управляемый напряжением (ГУН). Его частота изменяется варикапной матрицей VD1. Постоянное напряжение смещения, подаваемое на нее, равно 7 В, причем частота ГУН изменяется при изменении напряжения смещения по закону, приближающемуся к линейному. В результате этого получается малый коэффициент гармоник выходного сигнала ЗЧ. Конденсатор C18 с резистором R9 образуют интегрирующий фильтр в цепи ФАПЧ. Напряжение автоматической подстройки частоты (АПЧ) гетеродина на селектор каналов снимают с вывода 2 микросхемы DA2. При увеличении частоты входного сигнала напряжение АПЧ уменьшается. Выводы 1, 4, 6, 9, 14 микросхемы DA2 соединены с общим проводом. На транзисторе VT3 собран эмиттерный повторитель, исключающий влияние нагрузки на работу ГУН. Цепь R14C23 устраняет небольшой подъем АЧХ на высоких частотах модуляции, вызванный работой цепи ФАПЧ, для получения высоких параметров при приеме стереофонических радиовещательных передач. Если принимается телевизионная или монофоническая радиовещательная программа, то нужна цепь предыскажений R17C27. Устройство питается от стабилизированного источника напряжения +12 В. Конструктивно усилитель выполнен аналогично описанному ранее. Катушку L7L8 ГУН желательно отнести подальше от входа УПЧЗ. Плату можно не экранировать. Обмотки L1, L3. L5, L8 контурных катушек намотаны проводом ПЭВ-1 0,25 посредине полистироловых каркасов диаметром 5 и длиной 15 мм. Первые три обмотки содержат по 11, а последняя 25 витков. Обмотки связи L2. L4, L6, L7 содержат по два витка провода ПЭВ-1 0,1 и намотаны рядом и сверху соответствующих контурных обмоток. Обмотку L7 наматывают в два провода, а затем конец одного провода соединяют с началом другого - это соединение будет ее средним выводом. Все катушки ФСС снабжены подстроечииками из карбонильного железа диаметром 4 и длиной 10 мм. Катушка ГУН имеет подстроечиик из латуни диаметром 4 и длиной 8 мм. Все катушки заключены в экраны, припаянные к фольге со стороны деталей. В устройстве применены резисторы МЛТ, конденсаторы К50-6 (К50-16). К10-7В и КД. При налаживании усилителя сначала устанавливают равным 3...4 мА ток через транзисторы VTI и VT2, подбирая резистор R3. ФСС настраивают, используя измеритель АЧХ, например, X1-48. Его выход подключают к входу УПЧЗ, а детекторную головку к верхнему по схеме выводу катушки связи L6. Вращая подстроечники катушек, настраивают ФСС на частоту 31,5 МГц. Ширина полосы пропускания ФСС па уровне -6 дБ должна быть около 800 кГц. Затем, подбирая резистор R8, устанавливают напряжение смещения на варикапнои матрице VD1. равное 7 В. После этого, подключив вход измерителя АЧХ (без детекторной головки) к выходу УПЧЗ и вращая подстроечник катушки ГУН, добиваются того, чтобы середина S-кривой совпала с частотой 31,5 МГц. Окончательно УПЧЗ настраивают, подавая колебания с генератора ЧМ сигнала, напри мер, Г4-70. В. БОГДАНОВ, В. ПАВЛОВ, РАДИО 11/89 с.48. Прислал Александр aralni (at) mail.ru |
