Что-то не так?
Пожалуйста, отключите Adblock.
Портал QRZ.RU существует только за счет рекламы, поэтому мы были бы Вам благодарны если Вы внесете сайт в список исключений. Мы стараемся размещать только релевантную рекламу, которая будет интересна не только рекламодателям, но и нашим читателям. Отключив Adblock, вы поможете не только нам, но и себе. Спасибо.
Как добавить наш сайт в исключения AdBlock
QRZ.RU > Технические справочники > Справочники по микросхемам и п/п приборам > Справочник по биполярным транзисторам
Реклама
Справочник по биполярным транзисторам
|
|
|
|
|
|
|
|
2Т214-9, 2Т215-9, 2Т218-9, 2Т368-9, 2Т370-9, 2Т385-9, КТ396-9, КТ3106-9, КТ3126-9, КТ3129-9, КТ3130-9, КТ3153-9, КТ3169-9 |
КТС303-2 |
КТ208, КТ501, КТ3152 |
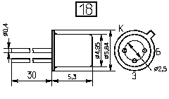
ГТ308, ГТ320, ГТ321, КТ321 |
ГТ311, ГТ313, ГТ338 |
КТ312 |
КТ314-2, КТ369, 2Т377-2, 2Т378-2, КТ384-2, КТ388-2, КТ389-2, КТ392-2, КТ397-2, КТ3150-2, КТ624-2, КТ625-2, 2Т629-2 |
КТ315, КТ361, КТ3122 |
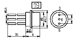
ГТ322, ГТ328, ГТ346, КТ368, ГТ376, ГТ386, КТ399, КТ3127 |
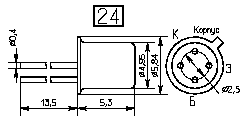
КТ324, КТ360, КТ366, КТ3104, 2Т3135-1 |
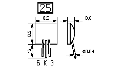
ГТ329, ГТ330, ГТ341, ГТ362 |
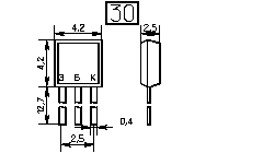
ГТ335, ГТ402, ГТ404, КТ601, КТ603, КТ605, КТ608, КТ620 |
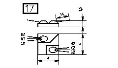
КТ336 |
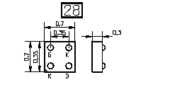
КТ337 |
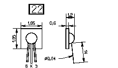
КТ209, КТ345, КТ351, КТ352 |
|
|
|
|
|
|
|
|