LAB599.RU — интернет-магазин средств связи
EN FR DE CN JP

Справочник по биполярным транзисторам

 
Предыдущая страница
Первая страница
Начало
Следующая страница

Справочник  по  биполярным  транзисторам
Цоколевки 31 - 45


КТ355

КТ357, КТ358, КТ373

КТ364, КТС394, КТС395

КТ371, КТ382, КТ3120

КТ372

1Т374-6, 2Т3114-6, 2Т3121-6

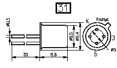
2Т381-1

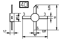
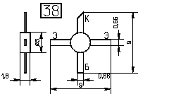
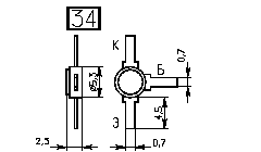
ГТ383, ГТ387, КТ391, 2Т3115-2, КТ3123-2, 2Т657-2, 2Т658-2, 2Т682-2, 2Т691-2

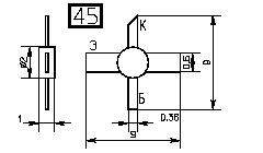
КТС393, 2ТС3136-1

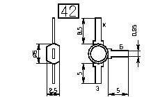
КТ3101-2

КТС3103, 159НТ1

КТ3123-М

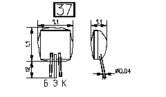
КТ306

КТС393-93

2Т3124-2, 2Т3132-2

Предыдущая страница
Первая страница
Начало
Следующая страница
Козак Виктор Романович, Новосибирск,  5-сен-2000г.
email: kozak (at) inp.nsk.su

 

Партнеры