LAB599.RU — интернет-магазин средств связи
EN FR DE CN JP
QRZ.RU > Технические справочники > Справочники по микросхемам и п/п приборам > Справочник по светоизлучающим п/п приборам

Справочник по светоизлучающим п/п приборам

 
Предыдущая страница
Первая страница
Начало
Следующая страница
Справочник по светоизлучающим полупроводниковым приборам
Цоколевки 31 - 45

3ОР125А

КОД301, ОД301

КОЛ201, ОЛ201

АОД101, АОД107, АОД129

АОД139

АОД109

АОД130, АОД140

АОД112-1, АОД120-1, АОД201-1, АОД202-1

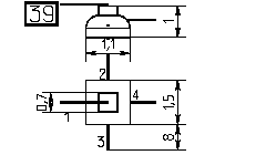
3ОД121-1

АОТ102

АОТ110, 3ОТ127, АОТ131, АОТ135, АОТ136

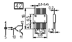
3ОТ122

АОТ123, АОТ126, АОТ138

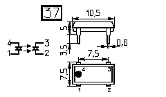
3ОТ142

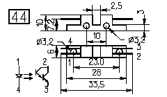
АОУ103
Предыдущая страница
Первая страница
Начало
Следующая страница

 

Партнеры