LAB599.RU — интернет-магазин средств связи
EN FR DE CN JP
QRZ.RU > Технические справочники > Справочник по отечественным микросхемам. > Параметры интегральных микросхем 174 серии > К174УН10 - электронный двухканальный регулятор тембра высших и низших звуковых частот

К174УН10 - электронный двухканальный регулятор тембра высших и низших звуковых частот

Навигатор: QRZ.RU > Радиолюбительская справочники > Справочник по отечественным микросхемам

Корпус ИМС К174УН10
Функциональная схема ИМС К174УН10
Типовая схема включения ИМС К174УН10
Электрические параметры
Предельно допустимые режимы эксплуатации
Литература


        Микросхема представляет собой электронный двухканальный регулятор тембра высших и низших звуковых частот. Предназначены для использования в звуковоспроизводящей и приемно-усилительной аппаратуре 1-го и 2-го классов совместно с К174УН12. В состав микросхем входят управляемые напряжением усилители и преобразователи напряжения. Аналог микросхемы TСA740. Содержит 204 интегральных элементов. Конструктивно оформлена в корпусе типа 238.16-2. Масса не более 1,5 гр.

Корпус ИМС К174УН10

 238.16-2 type package view 1,2 - вход усилителя УI;
3 - выход усилителя УI;
4 - управление усилителями УI и УII;
5 - выход усилителя УII;
6,7 - вход усилителя УII;
8 - питание +Uи.п.;
9,10 - вход усилителя УIII;
11 - выход усилителя УIII;
12 - управление усилителями УIII и УIV;
13 - выход усилителя УIV;
14,15 - вход усилителя УIV;
16 - общий (-Uи.п.).


Функциональная схема ИМС К174УН4

 K174UN10 function scheme Функциональный состав:
УI,УII,УIII,УIV - управляемые напряжением усилители;
KI,KII - преобразователи напряжения


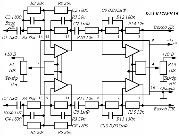
Типовая схема включения ИМС К174УН10

 K174UN10 application scheme

Электрические параметры

  1     Номинальное напряжение питания   15 В
  2  
 
  Ток потребления при Uп = 15 В
  типовое значение
  40 мА
  34 мА
  3     Диапазон рабочих частот по уровню -1Дб при Uп = 15 В,   20…20 000 Гц
  4  
 
 
  Глубина регулировки усиления низших звуковых частот (40 Гц)
  при Uп = 15 В, Uвх = 1 В не менее
  типовое значение
 
  ± 15 Дб
  ± 16 Дб
  5  
 
 
  Глубина регулировки усиления высших звуковых частот (16 кГц)
  при Uп = 15 В, Uвх = 1 В не менее
  типовое значение
 
  ± 15 Дб
  ± 16 Дб
  6  
 
 
 
  Изменение коэффициента передачи регулятора на частоте 1кГц
  при изменении напряжения управления на выводах 4 и 12
  от 1 до 10 В, Uп = 15 В, Uвх = 1 В не более
  типовое значение
 
 
  ± 2 Дб
  ± 1,5 Дб
  7  
 
 
 
 
  Коэффициент гармоник при Uп = 15 В, Uвых = 1 В:
  К174УН10А не более
  типовое значение
  К174УН10Б не более
  типовое значение
 
  0,2 %
  0,1 %
  0,5 %
  0,3 %
  8  
 
 
 
 
  Входное и выходное напряжение при Uп = 15 В, Кг 0.7 %:
  К174УН10А не более
  типовое значение
  К174УН10Б не более
  типовое значение
 
  1,6 В
  2,0 В
  1,2 В
  1,5 В
  9  
 
 
  Отношение сигнал-шум на выходе при Uвых = 50 мВ, Uп = 15 В,:
  К174УН10А не менее
  К174УН10Б не менее
 
  66 Дб
  60 Дб
10  
 
 
 
 
  Переходное затухание между каналами при Uвых = 1 В, Uп = 15 В,:
  при f = 250 Гц…12,5 кГц, не менее
  типовое значение
  при f = 20 Гц…20 кГц, не менее
  типовое значение
 
  56 Дб
  60 Дб
  46 Дб
  50 Дб
11     Управляющее напряжение на выводах 4 и 12 при Uп = 15 В   1…10 В
12     Входной ток по выводам управления при Uп = 15 В, Uупр = 8 В   25 мкА
13     Входное сопротивление регулятора не менее   15 кОм


Предельно допустимые режимы эксплуатации

  1     Напряжение питания   13,5…16,5 В
  2     Максимальное постоянное управляющее напряжение   12 В
  3     Максимальное напряжение входного сигнала   2 В
  4     Минимальное сопротивление нагрузки   5 кОм
  5       Максимальный статический потенциал
  на выводах микросхемы
  30 В
 
  6     Температура окружающей среды   -10…+55°С


Литература

Микросхемы для бытовой радиоаппаратуры: Справочник /И. В. Новачек, В. М. Петухов, И. П. Блудов, А. В. Юровский. - Москва: КУБК-а, 1995г. - 384с.:ил.

Интегральные микросхемы и их зарубежные аналоги: Справочник. Том 2./А. В. Нефедов. - М.:КУБК-а, 1996г. - 640с.:ил.

Аналоговые интегральные микросхемы: Справочник /А .Л. Булычев, В. И. Галкин, В. А. Прохоренко. - 2-е издание, переработанное и дополненное - Минск: Беларусь, 1993г. - 382с.


Навигатор: QRZ.RU > Радиолюбительская справочники > Справочник по отечественным микросхемам

Партнеры