Что-то не так?
Пожалуйста, отключите Adblock.
Портал QRZ.RU существует только за счет рекламы, поэтому мы были бы Вам благодарны если Вы внесете сайт в список исключений. Мы стараемся размещать только релевантную рекламу, которая будет интересна не только рекламодателям, но и нашим читателям. Отключив Adblock, вы поможете не только нам, но и себе. Спасибо.
Как добавить наш сайт в исключения AdBlockРеклама
Параметры интегральной микросхемы К174УН12
| Навигатор: QRZ.RU > Радиолюбительская справочники > Справочник по отечественным микросхемам |
Корпус ИМС К174УН12
Функциональная схема ИМС К174УН12
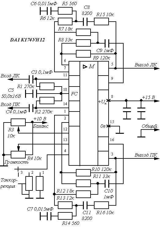
Типовая схема включения ИМС К174УН12
Электрические параметры
Предельно допустимые режимы эксплуатации
Литература
Микросхема представляет собой двухканальный электронный регулятор громкости и баланса каналов, имеет возможность подключения и выбора оптимальной тонкоррекции. Предназначены для использования в звуковоспроизводящей и приемно-усилительной аппаратуре 1-го и 2-го классов совместно с К174УН10. В состав микросхем входят управляемые напряжением усилители и преобразователи напряжения. Аналог микросхемы TСA730. Содержит 215 интегральных элементов. Конструктивно оформлена в корпусе типа 238.16-2. Масса не более 1,5 гр.
Корпус ИМС К174УН12
1,2 - вход усилителя громкости канала А; 3 - выход усилителя громкости канала А; 4 - вывод управления тонкоррекцией; 5 - выход усилителя громкости канала Б; 6,7 - вход усилителя громкости канала Б; 8 - питание +Uи.п.; 9 - выход усилителя регулятора баланса канала Б; 10 - вывод стабилизатора напряжения; 11 - вход усилителя регулятора баланса канала Б; 12 - вход управления регулятора баланса; 13 - вход управления регулятора громкости; 14 - вход усилителя регулятора баланса канала А; 15 - общий (-Uи.п); 16 - выход усилителя регулятора баланса канала А. |
Функциональная схема ИМС К174УН12
Функциональный состав:УI,УII - управляемые напряжением усилители регулятора громкости; УIII,УIV - управляемые напряжением усилители регулятора баланса; KI - преобразователь напряжения регулятора громкости; KII - преобразователь напряжения регулятора балан |
Типовая схема включения ИМС К174УН12

Электрические параметры
| 1 | Номинальное напряжение питания | 15 В |
| 2 |
Ток потребления при Uп = 15 В типовое значение |
40 мА 35 мА |
| 3 |
Коэффициент усиления входного напряжения при Uп = 15 В, Uвых = 1 В, f = 1 кГц, Rн = 5,6 кОм типовое значение |
17 Дб 20 Дб |
| 4 |
Коэффициент ослабления входного напряжения при Uп = 15 В, Uвых = 1 В, f = 1 кГц, Rн = 5,6 кОм типовое значение |
70 Дб 80 Дб |
| 5 | Входное сопротивление регулятора при Uп = 15 В, f = 1 кГц | 3 мОм |
| 6 | Входной ток по выводам 11 и 14 при Uп = 15 В | 2 мкА |
| 7 |
Входное напряжение при Uп = 15 В, f = 1кГц,
Кг 0,2 % : типовое значение |
1,0 В |
| 8 |
Коэффициент гармоник при Uп = 15 В,
Uвых = 1 В, f = 1 кГц типовое значение |
0,2 % 0,1 % |
| 9 |
Ток управления при Uп = 15 В: через вывод 13, U13 = 6,9 В типовое значение через вывод 12, U12 = 5,9 В типовое значение |
50 мА 15 мА 25 мА 8 мА |
| 10 |
Диапазон регулировки уровня громкости с выключенной тонкоррекцией при Uп = 15 В, Uвх = 100 мВ, f = 1 кГц типовое значение |
70 Дб (-60…+17 Дб) 90 Дб (-70…+20 Дб) |
| 11 |
Диапазон регулировки баланса с выключенной тонкоррекцией при Uп = 15 В, Uвх = 100 мВ, f = 1 кГц, Rн = 5,6 кОм типовое значение |
± 6 Дб ± 10 Дб |
| 12 |
Диапазон рабочих частот по уровню -1Дб с выключенной тонкоррекцией при Uп = 15 В, Ку = 0 |
20 Гц … 20 кГц |
| 13 |
Переходное затухание между каналами при Uп = 15 В, Uвых = 1 В : при f = 250 Гц … 12,5 кГц типовое значение при f = 20 Гц … 20 кГц типовое значение |
56 Дб 60 Дб 46 Дб 50 Дб |
| 14 |
Рассогласование коэффициента передачи между каналами: при Uп = 15 В, Uвых/Uвх = 0 … -50 Дб не более типовое значение при Uп = 15 В, Uвых/Uвх = -50 … -70 Дб не более типовое значение |
2,0 Дб 1,0 Дб 4,0 Дб 2,0 Дб |
| 15 |
Отношение сигнал-шум с выключенной тонкоррекцией при Uп = 15 В, Uвх = 100 мВ, Uвых = 50 мВ не менее типовое значение |
52 Дб 57 Дб |
Предельно допустимые режимы эксплуатации
| 1 | Максимальное напряжение питания | 18 В |
| 2 |
Максимальное постоянное управляющее напряжение на выводах 12 и 13 на выводе 4 |
12 В 3 В |
| 3 | Максимальное напряжение входного сигнала | 1 В |
| 4 | Минимальное сопротивление нагрузки | 5 кОм |
| 5 | Температура окружающей среды | - 10 … + 55°С |
Литература
Микросхемы для бытовой радиоаппаратуры: Справочник /И. В. Новачек, В. М. Петухов, И. П. Блудов, А. В. Юровский. - Москва: КУБК-а, 1995г. - 384с.:ил.
Интегральные микросхемы и их зарубежные аналоги: Справочник. Том 2./А. В. Нефедов. - М.:КУБК-а, 1996г. - 640с.:ил.
Аналоговые интегральные микросхемы: Справочник /А .Л. Булычев, В. И. Галкин, В. А. Прохоренко. - 2-е издание, переработанное и дополненное - Минск: Беларусь, 1993г. - 382с.
Аналоговые интегральные микросхемы для бытовой радиоаппаратуры: Справочник /Д. И. Атаев, В. А. Болотников. - Москва: Издательство МЭИ, 1991г. 240 с., ил.
| Навигатор: QRZ.RU > Радиолюбительская справочники > Справочник по отечественным микросхемам |
1,2 - вход усилителя громкости канала А;
Функциональный состав: