LAB599.RU — интернет-магазин средств связи
EN FR DE CN JP
QRZ.RU > Технические справочники > Справочник по отечественным микросхемам. > Параметры интегральных микросхем 544 серии > Дифференциальный операционный усилитель с улучшенными точностными характеристиками К544УД3(А-В), КР544УД3(А-В)

Дифференциальный операционный усилитель с улучшенными точностными характеристиками К544УД3(А-В), КР544УД3(А-В)

Навигатор: QRZ.RU > Радиолюбительская справочники > Справочник по отечественным микросхемам

Корпус КР544УД3
Условное графическое обозначение ИМС К544УД3, КР544УД3
Электрические параметры
Литература


     Микросхема представляет собой операционный дифференциальный операционный усилитель с высоким входным сопротивлением и улучшенными точностными характеристиками по сравнению с К544УД1, К544УД2. Корпус типа 2101.8-1, масса не более 1 г.



Корпус КР544УД3

2101.8-1

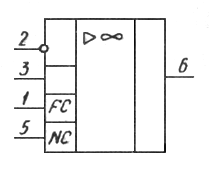
Условное графическое обозначение

Условное графическое обозначение
1 - баланс;
2 - вход инвертирующий;
3 - вход неинвертирующий;
4 - напряжение питания (-Uп1);
5 - баланс;
6 - выход;
7 - напряжение питания (Uп2);
8 - свободный;
Электрические параметры

1 Номинальное напряжение питания plus minus 15 Вplus minus 10 %
2 Выходное напряжение
при Uп= plus minus 15 В
more or equally |plus minus 12| В
3 Напряжение шумов приведенное ко входу
при Uп= plus minus 15 В
less or equally 5 мкВ
4 Напряжение смещения нуля при Uп= plus minus 15 В, Uвых= plus minus 0,02 В.
    КР544УД3А
    КР544УД3Б
 
less or equally 2 мВ
less or equally 5 мВ
5 Средний входной ток при Uп= plus minus 15 В, Uвых= plus minus 0,02 В.
    КР544УД3А,В
    КР544УД3Б
 
less or equally 0,05 нА
less or equally 0,1 нА
6 Ток потребления при Uп= plus minus 15 В, Uвых= plus minus 0,02 В.  
less or equally 2,5 мА
7 Коэффициент усиления напряжения при Uп= plus minus 15 В, Uвых= plus minus 4 В.
    КР544УД3А,В
    КР544УД3Б
 
more or equally 200000
more or equally 100000
8 Коэффициент ослабления синфазного входного напряжения
при Uп= plus minus 15 В, Uвых= plus minus 0,02 В, Uвх= plus minus 5 В
more or equally 86 дБ
9 Коэффициент влияния нестабильности источников питания
на напряжение смещения нуля при Uп= plus minus 15 В, Uвых= plus minus 0,02 В.
    КР544УД3А
    КР544УД3Б
 
 
less or equally 50 мкВ/В
less or equally 100 мкВ/В
10 Температурный дрейф напряжения смещения нуля
    КР544УД3А
    КР544УД3Б
 
less or equally 15 мкВ/ ° C
less or equally 30 мкВ/ ° C
11 Частота единичного усиления при Uп= plus minus 15 В, Uвых= plus minus 0,02 В more or equally 1 МГц
12 Максимальная скорость нарастания выходного напряжения
при Uп= plus minus 15 В, Uвых=-10 В, Uвх=-10 В
    КР544УД3А
    КР544УД3Б
 
 
more or equally 5 В/мкс
more or equally 3 В/мкс


Литература

Интегральные микросхемы и их зарубежные аналоги: Справочник. Том 2./А. В. Нефедов. - М.:ИП РадиоСофт, 1999г. - 640с.:ил.

Отечественные микросхемы и зарубежные аналоги Справочник. Перельман Б.Л.,Шевелев В.И. "НТЦ Микротех", 1998г.,376 с. - ISBN-5-85823-006-7



Навигатор: QRZ.RU > Радиолюбительская справочники > Справочник по отечественным микросхемам

Партнеры