LAB599.RU — интернет-магазин средств связи
EN FR DE CN JP

Ремонт CD-проигрывателей. CD-players repair CD-ROM

 ·   Оглавление   ·   Введение   ·   ·   ·   ·   ·   ·   ·   ·   ·   · 

Автор - Ростислав
Источник - http://www.ronyasoft.nm.ru/cdmaster.html

7 Взаимозамена лазерных головок

7.1 Замена аналогичной моделью головки

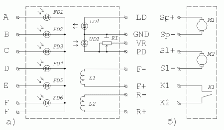
Рассмотрим схему ЛГ и механики. На рис. 7.1,а показана схема лазерной головки KSS210B.

Рис. 7.1. Принципиальная схема ЛГ KSS210B и механики KSM210

В корпусе головки размещена фотодиодная матрица (FD1-FD6), фотодатчик (UD1), совмещенный в одном корпусе с лазерным диодом (LD1), катушки фокусировки (L1) и трекинга (L2), подстроечный резистор (R1). На рис. 7.1,б показана схема механики головки KSM210B. Она состоит из двигателя диска (Spindle M1), двигателя позиционирования (Slide M2) и концевика "Начальное положение головки" (K1).

На рис. 7.2 показаны элементы ЛГ (вид со стороны подключения проводников) и расположение их выводов: а) фотодиодная матрица; б) лазерный диод; в) катушка фокусировки и трекинга (в скобках указаны цвета проводов для головки SF90: фиолетовый, коричневый (синий), серый, белый). Рис. 7.2. Расположение выводов элементов ЛГ KSS210B, SF90

Полярность катушек и двигателей определяют следующим образом: при подаче напряжения 1 В в указанной полярности катушка фокусировки перемещается вверх в сторону диска, катушка трекинга - в направлении вращательного столика, двигатель вращается по часовой стрелке (вид со стороны вала).

Замена: При проведении работ с ЛГ важно помнить, что они боятся статического электричества, поэтому нужно быть очень осторожным. Для извлечения ЛГ нужно разобрать механику: снять прижимной механизм, каретку (рис. 4.7) и извлечь направляющие стержни, по которым перемещается ЛГ. При установке новой ЛГ нужно распаять перемычку в схеме питания лазера на плате, установленной на корпусе головки. В противном случае можно вывести из строя схему ALPC. После замены проверяют и настраивают ток питания лазера и проводят настройку сервосхем.

Иногда одна модель головки может иметь несколько вариантов распайки и подключения шлейфов. Например, головка SF90 имеет как минимум пять вариантов подключения. В моей практике был случай, когда испорченная головка SF90 имела два разъема (стандартный вариант), а рабочая SF90 - один плоский шлейф. В результате, пришлось просто поменять местами платы с разъемами на головках.

7.2 Замена похожей моделью головки

Рассмотрим более детально вариант замены лазерной головки другой моделью. Для определения возможности замены нужно обратить внимание на следующие факторы.

  1. Геометрические размеры. Головки и механики могут отличаться размерами, креплением, посадочными отверстиями и т.п. Существует несколько вариантов: возможна замена головки (крепления головок одинаковы); возможна замена механики с головкой (крепления и размеры механик одинаковы); замена невозможна. Чаще приходится менять механики вместе с головкой.
  2. Фотоэлементы. В некоторых головках применяются фотоэлементы с встроенным усилителем (KS220A). Заменять такую ЛГ головкой с пассивными фотоэлементами нельзя.
  3. Схемы питания лазера. Вопрос в том, где находятся схема ALPC (контроль питания лазера) и подстроечный элемент. Возможны варианты:

    а) подстроечный элемент - на плате головки, ALPC - на основной плате;

    б) подстроечный элемент и ALPC - на основной плате;

    в) подстроечный элемент и ALPC - на плате головки.

    Если неисправная ЛГ выполнена по варианту в, а новая - по варианту б, то нужно снять плату ALPC с неисправной головки и подключить к новой, если наоборот, то лучше использовать ALPC на основной плате, а на головке - отключить.

  4. Сопротивление катушек. Перед заменой необходимо измерить сопротивления катушек фокусировки и трекинга у обеих головок. Если сопротивления значительно отличаются (>30%) и регулировкой на плате достаточного уровня усиления управляющего сигнала достичь невозможно, то для увеличения усиления сигнала с выходных каскадов нужно изменить коэффициент усиления каскада.

Если головки подходят по всем вышеописанным пунктам, осталось "подогнать" контакты в соединительных шлейфах. На рис. 7.3 показано гнездо для сигнального шлейфа на лазерной головке KSS210B. Контакты в гнезде и штекере нумеруются слева направо (вид со стороны установки штекера). Рис. 7.3. Гнездо для сигнального шлейфа ЛГ KSS210B

В таблице 7.1 указана разводка контактов шлейфа сигналов с фотодатчиков, шлейфа сигналов управления (управление катушками + питание лазера) и шлейфа механики для головок H8151AF, SF90, KSS210 (KSS150). Таблица 7.1. Разводка контактов шлейфов

Сигнал H8151AF SF90 KSS210
Гнездо для шлейфа фотодатчиков (для KSS210 - белый)
F 1 1 1
B+D 2 4 6+8
A+C 3 5 5+7
E 4 2 2
K 5 3 3
Гнездо для шлейфа управления (для KSS210 - красный)
R- 1 7 7
R+ 2 6 6
F+ 3 8 8
F- 4 5 5
GND 5 2 2
PD 6 3 3
VR 7 4 4
LD 8 1 1
Гнездо для шлейфа механики
Sp+ 1 2 1
Sp- 2 1 2
Sl+ 3 5 3
Sl- 4 6 4
K1 5 4 5
K2 6 3 6

Используя таблицу, несложно разместить контакты в соединительных шлейфах. Возможно, разводку контактов для нужной головки придется искать в справочной литературе или определять самостоятельно. На рис. 7.3 показаны схемы шлейфов для взаимной замены головок SF90, KSS210, KSS150, H8151AF. Рис. 7.4. Разводка шлейфов для замены ЛГ

Например, нужно заменить механику с неисправной головкой SF90 механикой KSM2101BDM с головкой KSS150A. По геометрическим характеристикам замена возможна. Обе головки имеют пассивные фотоэлементы и одинаковое расположение схем питания лазера. Сопротивление катушек у KSS150A 6,8 Ом, у SF90 - 7,5 Ом. Разница в сопротивлениях катушек небольшая (~10%). Для подготовки шлейфов рисуют их схемы (слева изображают штекер старой головки, подключаемый к основной плате, а справа - штекер, подключаемый к новой головке) и расписывают сигналы на контактах. Назначение контактов на главной плате определяют по старому шлейфу. Чаще всего шлейфы имеют разводку "один к одному". Сигналы на штекере ЛГ определяют из таблицы 7.1. Соединяют одинаковые контакты линией (рис. 7.4,а). Шлейф управления одинаков для обеих головок. Схему шлейфа для механики составляют по таблице 7.1 (рис. 7.4,д). По схеме переделывают старые шлейфы. Для извлечения контакта из штекера нужно иголкой отогнуть пластмассовое ушко.

Если после настройки тока лазера и попытки настройки сервосхем, диск все равно не считывается, проверьте еще раз правильность подключения: если датчики ABCD или катушка фокусировки подключены неправильно, линза "проскакивает" положение точной фокусировки. Если датчики EF или катушка трекинга подключены неправильно, проигрыватель пытается считать диск, но безрезультатно. Если двигатель вращается в обратную сторону, или катушка перемещается в противоположном направлении - перепутана полярность подключения.

Остается еще раз напомнить, что нужно быть очень внимательным и аккуратным при подгонке шлейфов при работе с лазерными головками, чтобы не вывести их из строя.
 

<<  Оглавление  >>


Все права защищены. При попытке воспроизведения информации ссылка на источник обязательна.



Партнеры