LAB599.RU — интернет-магазин средств связи
EN FR DE CN JP

Ремонт CD-проигрывателей. CD-players repair CD-ROM

 ·   Оглавление   ·   Введение   ·   ·   ·   ·   ·   ·   ·   ·   ·   · 

Автор - Ростислав
Источник - http://www.ronyasoft.nm.ru/cdmaster.html

5 Варианты, причины и последовательности поиска неисправностей

5.1 Неисправности в электронике

5.1.1 Схемы питания

Особенности схем питания СД-проигрывателей:

  1. Этикетка на корпусе трансформатора с надписью "TERMOFUSE" обозначает, что в первичную обмотку трансформатора встроен термопредохранитель. В некоторых случаях, чтобы добраться до его выводов, нужно удалить защитный слой пленки с первичной обмотки со стороны присоединения проводов. Если термопредохранитель неисправен, нужно его заменить или закоротить, введя при этом в цепь первичной обмотки дополнительный предохранитель (для трансформатора мощностью 10...20 Вт нужен предохранитель на 0,2...0,3 А).
  2. Включатель питания может быть установлен в цепь первичной или вторичной обмотки, после выпрямителей. Во втором случае трансформатор постоянно находится под напряжением и "гудит" даже при выключении питания на передней панели. Этот вариант применяется в проигрывателях с дистанционным управлением для обеспечения работы в ждущем режиме. Возможно также применение дополнительного дежурного трансформатора.
  3. Вместо плавких предохранителей могут применяться быстродействующие предохранители (рис. 5.1 а) [1, c.64].
    Рис. 5.1. Элементы схем питания

    Характеристики предохранителей приведены в табл. 5.1.

    Таблица 5.1. Справочные данные по быстродействующим предохранителям.
    Маркировка Максимальный ток, А Сопротивление, Ом
    N5 0,25 0,35
    N10 0,4 0,22
    N15 0.6 0.135
    N20 0,8 0,1
    N25 1 0,07
  4. В качестве предохранителей могут использоваться низкоомные резисторы сопротивлением 0,1...10 Ом (при цветной маркировке третье кольцо имеет золотистый или серебристый цвет). Если сила тока, протекающего по ним, превышает допустимое значение, они перегорают.
  5. В проигрывателях применяются одно- и двухполярные схемы питания. Схемы питания легко определить по оксидным конденсаторам большой емкости, низкоомным резисторам, мощным транзисторам и микросхемам на радиаторах. Конденсаторы фильтра должны иметь запас по напряжению 20...30%.
  6. В качестве стабилизаторов могут выступать:
    • Интегральные стабилизаторы на одно напряжение типа 78Lxx, 79Lxx (отечественные аналоги КРЕНхх) (рис. 5.1 б). Вторая цифра обозначает полярность стабилизатора: 8 означает "Плюс", 9 - "Минус"; хх - величина стабилизированного напряжения в В.
    • Интегральные микросхемы-стабилизаторы на несколько напряжений. Для проверки используют справочную литературу.
    • Стабилизаторы на транзисторах (рис. 5.1 в). В базовую цепь транзистора включен стабилитрон. Напряжение на выходе стабилизатора примерно на 0,5 В ниже напряжения стабилизации стабилитрона. Напряжение стабилитрона можно определить по маркировке на корпусе (например, у стабилитрона ZD5.1 напряжение стабилизации 5,1 В). Если напряжение на стабилитроне превышает указанное на корпусе - обрыв стабилитрона, равно нулю - пробой.
    • Мощные стабилитроны.

    Напряжение на входе стабилизаторов всех типов, кроме последнего, должно быть больше, чем на выходе в 1,5-2,5 раза. В проигрывателях с дежурным режимом стабилизаторы могут использоваться одновременно и в качестве ключей.

Последовательность поиска неисправности:

  1. Наличие напряжения питания на первичной обмотке трансформатора (если нет напряжения на первичной обмотке, проверяют предохранители, шнур и выключатель питания).
  2. Напряжение на вторичных обмотках трансформатора (в случае отсутствия напряжения возможен обрыв в обмотках трансформатора или КЗ в обмотках или нагрузке; следует отключить вторичную обмотку от нагрузки и прозвонкой тестером выявить место КЗ).
  3. Предохранители в цепи вторичной обмотки. Наличие напряжения на фильтрующих конденсаторах, на входе и выходе выпрямителей и стабилизаторов. Если напряжение на выходе стабилизатора занижено и силовые элементы сильно греются, то это свидетельствует о возможном КЗ в нагрузке. При поиске КЗ нужно помнить, что выводы питания процессоров могут дублироваться. В недорогих моделях часто встречается пробой оксидных фильтрующих конденсаторов.
  4. Входные и выходные напряжения на ключах питания, ключи питания (в качестве ключей используются электрические реле, транзисторы или интегральные микросхемы).
  5. Наличие на ключах питания сигнала "Power" ("PowerOn") с процессора после нажатия кнопки "Power" на панели проигрывателя. При открытии всех ключей питания проигрыватель должен перейти в рабочий режим. Не стоит "вручную" открывать ключи без сигнала с процессора. Проигрыватель не будет работать пока процессор не готов.
  6. Поступление напряжения питания с ключей к процессорам, драйверам и другим элементам.

При отсутствии хотя бы одного из напряжений питания проигрыватель не может правильно функционировать.

5.1.2 Управляющий процессор

Последовательность поиска неисправности:

  1. Напряжение питания 5 В.
  2. Наличие сигнала начального сброса регистров процессора "Reset" через 0,2...0,5 с после подачи питания на процессор управления.
  3. Импульсы сканирования кнопок. Возможно, заклинила одна из кнопок на панели управления, заблокировав процессор.
  4. Кварцевый резонатор (стабильная синусоида на кварцевом резонаторе свидетельствует о его работоспособности).
  5. Элементы обвязки процессора, т.е. дополнительные внешние элементы (резисторы, конденсаторы и т.п.), необходимые для его нормальной работы.

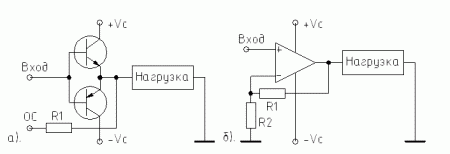
5.1.3 Выходные каскады (драйвера)

Выходные каскады используются для усиления сигналов управления выходными устройствами (двигателями, катушками). В выходных каскадах используют одно- или двухполярные схемы на транзисторах или интегральных микросхемах (рис. 5.2).

Рис. 5.2. Выходные каскады: а). на транзисторах; б). на микросхеме

Последовательность поиска неисправности:

  1. Проверить напряжение питания. Проверять напряжение питания на транзисторах нужно очень осторожно, так как случайное закорачивание базы и коллектора одного из выходных транзисторов приведет к выходу из строя сервопроцессора (несколько раз встречал сгоревшие процессоры CXA 1082 после предварительных ремонтов).
  2. Проверить форму сигнала на входе и выходе. Осциллограмма на выходе должна быть похожа на входную. Если отсутствует верхняя или нижняя половина выходного сигнала, значит, неисправен один из выходных транзисторов. Даже в этих случаях проигрыватель может работать, но нестабильно.

С помощью обратной связи R1 стабилизируется работа выходного каскада. От номинала резистора R1 зависит величина коэффициента усиления каскада. При замене двигателей или катушек похожими, но имеющими другие характеристики, может возникнуть необходимость в изменении мощности выходного (управляющего) сигнала. Для этого можно в небольших пределах (50...200%) изменить сопротивление R1.

Если в процессе работы выходные каскады сильно нагреваются, можно увеличить их площадь рассеивания, прикрепив радиатор.

5.1.4 Плоские шлейфы

Для соединения движущихся элементов с электроникой применяют плоские шлейфы. Во время эксплуатации такие шлейфы могут переламываться, и контакт отходит или пропадает. Шлейфы прозванивают, осторожно выгибая шлейф в разные стороны. Неисправный шлейф желательно заменить новым, так как в случае если сломан хотя бы один проводник, велика вероятность того, что скоро выйдут из стоя и другие.

5.2 Возможные неисправности и способы их устранения

5.2.1 Не включается, не переводиться с дежурного режима в рабочий

Возможные причины неисправности: отсутствует питание, неисправен процессор.

Если проигрыватель не включается только с пульта ДУ, то, возможно, неисправен сам пульт или фотоприемник схемы усиления и обработки его сигналов.

5.2.2 Не работает дисплей

В проигрывателях используются одно- и многоцветные жидкокристаллические дисплеи, флуоресцентные индикаторы, светодиодные матрицы.

Возможные причины неисправности: неисправность в процессоре дисплея, схемах питания. В жидкокристаллических дисплеях причина часто заключается в неисправности ламп подсветки или отсутствии их питания. Для работы флуоресцентного дисплея нужны несколько дополнительных напряжений: переменного накального 3...5 В; постоянного 20...30 В для анодной сетки. Напряжение накала может поступать непосредственно с трансформатора питания или с преобразователя постоянного напряжения в переменное.

5.2.3 Дисплей отображает частично или непонятные символы

Возможные причины неисправности: вышли из строя некоторые светодиоды светодиодной матрицы; плохой контакт дисплея и проводников (нужно пропаять контакты на пути от дисплея к процессору, а если для контакта с жидкокристаллическим дисплеем используются токопроводящие резиновые пластинки, - прочистить места контакта); неисправны схемы управления дисплеем в процессоре управления (иногда для дисплея может применяться отдельный процессор).

5.2.4 Неправильные показания дисплея (время, количество песен)

Возможные причины неисправности: неправильно считывается информация с компакт-диска, что вызванно плохой настройкой сервосхем трекинга.

5.2.5 Не выезжает каретка

На рис. 5.3 показана условная схема взаимодействия каретки и других элементов проигрывателя.

Рис. 5.3. Взаимодействие каретки и элементов проигрывателя

Последовательность поиска неисправности:

  1. Нажав кнопку "Open/Close", проверяют напряжение 5...10 В на двигателе каретки. Если напряжение есть, то искать неисправность нужно в механической части, если оно отсутствует - в электронной (на рис. 5.1 направления поиска показаны стрелками).
  2. Проверяют двигатель.
  3. Диагностируют каретку. При нажатии кнопки "Open/Close" вал двигателя каретки начинает вращаться. Если каретка длительное время не может достичь конечного положения, процессор реверсирует двигатель, а позже блокирует его.
  4. Проверяют напряжение питания, выходной каскад, управляющий процессор, сигнал управления кареткой на выходе и входе, тактирующие импульсы. Сигнал на вход процессора может поступать с другого процессора по шине I2C или с концевика.
  5. Проверяют, изменяется ли напряжение при замыкании-размыкании концевика начального положения каретки. При окислении контактов концевика сигнал с него может не восприниматься процессором.
  6. Проверяют кнопку "Open/Close" (от влажности и температуры кнопки окисляются), сканирующие импульсы на ней.

Можно вручную выкрутить каретку при выключенном проигрывателе и включить его. Если каретка заедет обратно, возможно, неисправна кнопка или замкнут концевик. Нужно обратить внимание на режим работы на дисплее "Open", "Close".

5.2.6 Каретка выезжает медленно или недоезжает

Возможные причины неисправности: повреждены механические элементы, растянут пассик, обгорели щетки двигателя, занижено питание выходных каскадов.

5.2.7 Постоянно включен один или несколько двигателей

Возможные причины неисправности: выходные каскады пробиты или разбалансированы из-за отсутствия одного из питающих напряжений или неисправен управляющий процессор.

5.2.8 Диск не вращается, не считывается, считывается плохо, прыгает или зацикливается

Возможные причины неисправности: неисправен двигатель; драйвер; сервопроцессор; схемы питания драйвера, процессора и лазера (ALPC); оптический считывающий блок; неисправны или неправильно настроены сервосхемы.

Последовательность поиска неисправности:

  1. Проверить схемы питания проигрывателя: наличие всех напряжений, отклонение от номинальных величин, коэффициент пульсаций.
  2. Осмотреть поверхность диска и прочистить линзу лазера.
  3. Диагностировать лазерную головку, настроить ток питания лазера. При подозрении о неисправности оптического блока желательно временно заменить его заведомо исправным и подстроить сервосхемы (в практике ремонта автора в половине проигрывателей использовались взаимозаменяемые звукосниматели KSS210, KSS150, KSS212 фирмы Sony или похожие, но по-разному распаянные SF90, SF88 фирмы Sanyo).
  4. Осмотреть механику, двигатели.
  5. Проверить на обрыв провода, кабели, плоские шлейфы, соединяющие механику, оптический блок и плату. Плоские шлейфы могут иметь перегнутые проводники, которые в некотором положении шлейфа могут размыкаться. Если отсутствуют сигналы с лазерной головки, возможен обрыв соединительных проводов.
  6. Проверить, двигается ли фокусирующая катушка вверх-вниз. Если катушка не двигается, нужно проверить прохождение импульсов FSR к фокусной катушке (см. Основные сигналы). В моменты прохождения линзы возле положения фокуса должен наблюдаться сигнал FE.
  7. Проверить фокусировку луча на поверхности диска. Линза, сфокусировав луч, должна остановиться, а если рукой изменять положение диска вверх-вниз, линза должна двигаться в том же направлении ("ловить" новый фокус). Когда линза сфокусируется, сигнал FOK принимает высокий уровень и включается схема трекинга. Можно слышать шум фокусной катушки и трекинг-катушки.
  8. Убедиться в наличии сигнала EFM, наличии и прохождении аналоговых сигналов отслеживания (Fe, Fer, Te, Ter, Rad и т.д.), других цифровых и аналоговых сигналов (Tok, Fzc, Jr, Jf, MON, MDP, MDN и т.д.), наличии тактовых импульсов (Clk).
  9. Проверить выходные каскады.
  10. Настроить сервосхемы. Перед началом настройки положение всех регуляторов желательно промаркировать.

Если диск не вращается, то проверку следует начать с пункта 1. Если диск не считывается или считывается плохо, то проверку можно начать с механической части (пункты 1-7) или с электронной (пункты 8-10). Если считывание диска периодически прерывается, диск "прыгает" или зацикливается, нужно обратить внимание на место, где это случается: постоянно в одних и тех же местах или хаотически. Если хаотически, то чаще всего причиной является механические неисправности: разбит двигатель, высохла смазка и т.д. (пункты 1-5). Если в одних и тех же местах, это связано с дефектами компакт-диска, юстировкой лазерной головки, настройкой сервосхем (пункты 1-3, 8-10).

5.2.9 Отсутствует звук

Возможные причины неисправности: отсутствие питающих напряжений; неисправны аналоговые схемы; неисправны схемы цифровой обработки; отсутствует поток входных данных; активирована функция MUTE, (см. преобразование звука).

Возможен вариант, когда проигрыватель вращает диск, пытаясь найти нужный трек, но из-за некачественного сигнала звук заблокирован сигналом MUTE. При этом периодически слышны звуки, похожие на свист, от рывков фокусной катушки и трекинг-катушки (не монотонный шум, как при воспроизведении). Если отсутствует звук только в одном канале, то неисправность нужно искать в аналоговой части аудиосхем. Если в двух, то следует проверить питающие напряжения, тактирующие импульсы, наличие цифрового потока на входе цифровых аудиосхем и уровень сигнала MUTE. О наличии цифрового потока можно судить по равномерности изменения секунд на дисплее.

Убедившись в наличии цифрового потока, следует приступать к поиску неисправности в аудиосхемах. Поиск неисправности в аудиосхемах можно проводить в направлении от цифрового процессора к аналоговому выходу и наоборот. Для усиления аналогового сигнала чаще всего используются операционные усилители.

5.2.10 Некачественный звук (выпадение и шум)

Возможные причины неисправности: плохой или загрязненный диск; грязная или дефектная линза; неправильная настройка сервосхем; "садится" лазер (падает мощность излучения); неправильная юстировка наклона линзы; искрение от коллектора двигателя диска и некачественные схемы питания; "разбит" двигатель.
 

<<  Оглавление  >>


Все права защищены. При попытке воспроизведения информации ссылка на источник обязательна.



 

Партнеры