Что-то не так?
Пожалуйста, отключите Adblock.
Портал QRZ.RU существует только за счет рекламы, поэтому мы были бы Вам благодарны если Вы внесете сайт в список исключений. Мы стараемся размещать только релевантную рекламу, которая будет интересна не только рекламодателям, но и нашим читателям. Отключив Adblock, вы поможете не только нам, но и себе. Спасибо.
Как добавить наш сайт в исключения AdBlockРеклама
Всё в сеть / Радиоудлинитель COM-порта
Радиоудлинитель COM-порта.
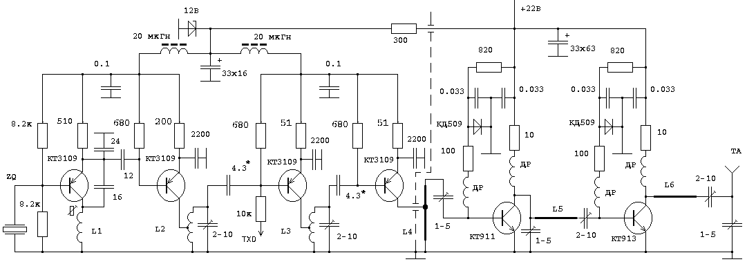
Передатчик оригинальностью не отличается и построен по схеме с кварцевой стабилизацией и умножением частоты. Задающий генератор возбуждается на 5-7й гармонике, далее следует утроитель частоты, затем усилитель-модулятор и удвоитель частоты с нагрузкой L4. Первые 4 каскада отделены экраном и собраны на печатной плате согласно [Л1].
Кварцевый резонатор выбирается из расчета Fкв=Fиз/n1/n2/n4, где n1 - номер гармоники, на которой возбуждается резонатор (3,5,7,9), n2=3 или 2 (второй каскад), n4=2 (четвертый каскад).
Усилитель мощности двух(трех)каскадный в зависимости от требуемой дальности связи. Монтаж комбинированный: площадки под выводы транзисторов и подстроечных конденсаторов размером 4х4мм. выгравированы на поверхности фольгированного стеклотекстолита, служащего несущей подложкой. Дроссели аналогичны [Л2].
L1 - 6 витков на каркасе диаметром 5 мм с подстроечником.
L2, L3 - 3,5 витка без каркаса диметром 4 мм посеребренным проводом.
Конструкция катушек L4, L5 и L6 приведена на рис.2.
Настройка хорошо описана в [Л1,Л2]. Выходной контур настраивается на штатную антенну по показаниям любого СВЧ пробника.
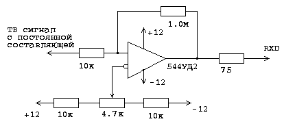
Приёмник - обычный телевизор с ДМВ-диапазоном. Сигнал снимается с выхода СМРК с постоянной составляющей (Puc.3). Компаратор также сложности не представляет, выход подключается к RXD COM-порта.
Антенны спиральные, диаметр рассчитывается как длинна волны/3.14, примерно 10 витков медного провода уложены по возможности равномерно на картонном каркасе в длину волны. Каркас приклеен к аллюминиевому или медному экрану размером в полтора раза больше диаметра антенны. Передатчик расположен на обратной стороне экрана непосредственно у "горячего" вывода спирали.
В заключение прошу не судить строго за дилетантский подход. Устройство создавалось для скорейшего достижения результата при минимальных затратах. Вместе с тем буду благодарен за дельные предложения, улучшающие или упрощающие изделие.
Этой штуке уже более чем 5 лет, IP соединение ошибки вылавливает. Проверялась с директорными антеннами. Антенну лучше настраивать на передатчик по детектору поля, а потом такую же сделать для приемника.
ЛИТЕРАТУРА
1. А.Ермак, Г.Чурин. Радио N2 1989г., с.28.
2. В.Прокофьев. Радио N2 1983г., с.18
К сожалению автора данной схемы мне установить не удалось. Эта схема встречается чуть ли не на всех сайтах, посвящённых радиолюбительской тематике.
Разработка и оформление Андрея Александровича Борисенко aka ICE.
По всем вопросам просьба писать мне на icenet (at) narod.ru